Salvogi
Membri-
Numero contenuti
1.418 -
Iscritto
-
Ultima visita
-
Giorni Vinti
26
Tipo di contenuto
Profili
Articoli
Introduzione alla stampa 3D
Database materiali
Forum
Calendario
Blogs
Gallery
Download
Store
Tutti i contenuti di Salvogi
-
Filamento ecologico ed economico
Salvogi ha risposto a Zmaster nella discussione Materiali di stampa
Effettivamente l'aspetto ecologico è una cosa da non trascurare. Bisogna vedere esattamente cosa ci devi fare. Se ti occorre una certa resistenza meccanica, non c'è molta scelta o il Green-TEC che hai detto tu o il PLA fibrorinforzato ed i prezzi sono molto alti. Se non ti occorre una buona resistenza meccanica o termica puoi usare il PLA Amazon Basicfil che si trova anche a 19 euro al kg. -
Ecco la mia laser
Salvogi ha risposto a Killrob nella discussione La mia stampante 3D e il mio laboratorio
Secondo me non ha un brutto aspetto, il legno è un materiale naturale e le imperfezioni quindi sono normali. -
Ecco la mia laser
Salvogi ha risposto a Killrob nella discussione La mia stampante 3D e il mio laboratorio
Complimenti, davvero un bel progetto con movimentazione corexy. Molto belle anche le realizzazioni. L'idea di quei profili quadrati come guida è venuta te o li vendono appositamente come guide? -
Io ho usato il PETG trasparente ma non sono riuscito ad ottenere la trasparenza forse perchè il filamento non era molto asciutto. La luce passava ma la stampa era opaca. Per ottenere una stampa trasparente occorre che il filamento sia completamente asciutto. Comunque puoi provare ad acquistare piccole quantità di filamento (quelle vendute a metro) e fare dei test. Considera anche che il risultato ottenuto con un tipo di filamento cambia anche in funzione della marca o del colore.
-
Mini notebook convertibile con Raspberry Pi4
Salvogi ha risposto a Salvogi nella discussione Nuove idee e progetti
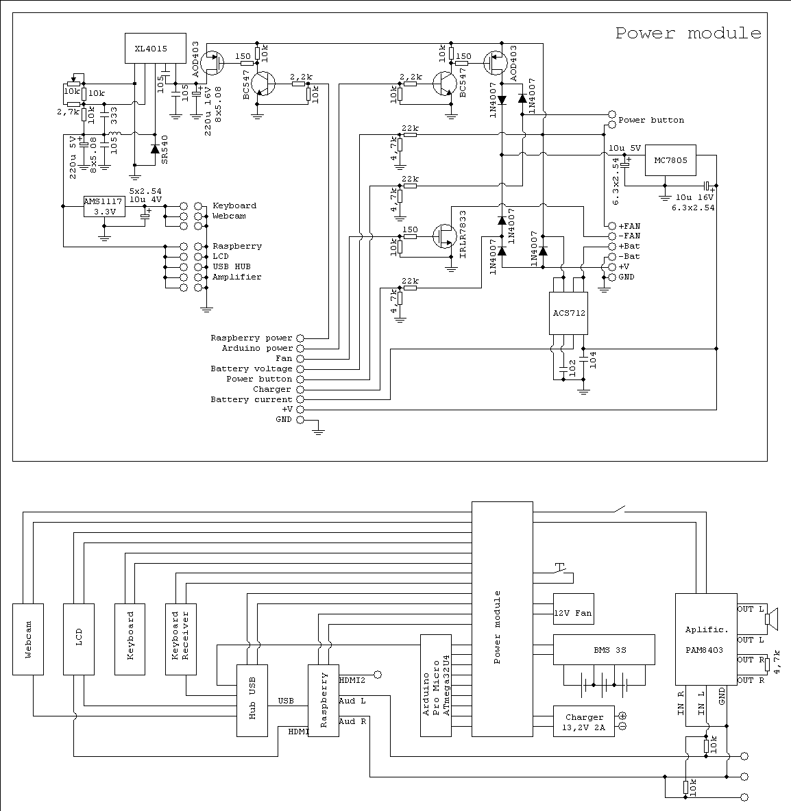
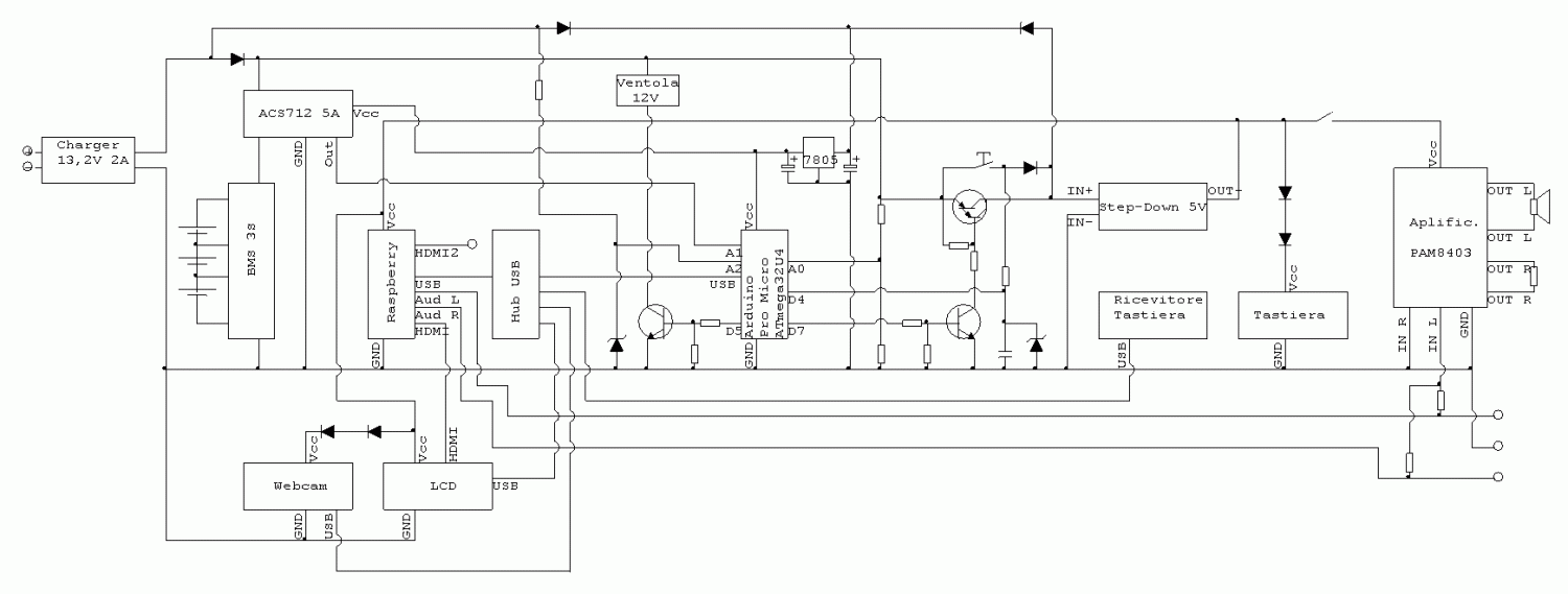
Il sistema operativo ufficiale è Raspbian che è una versione di Debian a 32 bit per ARM (anche se il processore supporterebbe il 64 bit). Comunque è possibile installare Ubuntu, Android 9, Chrome OS, Windows 10 on ARM, Windows 10 IoT ed altri. La comunity di Raspberry è abbastanza attiva quindi ci sono frequenti aggiormamenti. Siccome l'hard-disk è costituito da una MicroSD, è possibile provare facilmente i vari sistemi operativi. Infatti ho previsto la possibilità di sostituire la MicroSD dall'esterno senza dover smontare nulla. Ho modificato nuovamente lo schema elettrico. Ed ho disegnato un PCB per la parte che ho denominato power module. Visti i risultati che ho ottenuto con la CNC, ho ordinato il PCB da una ditta cinese che me ne produrrà 5 copie per un totale di 7 euro compreso spese di spedizione. -
Supporto per indicatori di direzione per Kawasaki EN500
Salvogi ha risposto a I3D&MLab nella discussione Le tue stampe - Album fotografico dei migliori modelli 3D
Molto belli, complimenti. Sono d'accordo con @marcottt, se ti dovesse capitare di ristamparli forse ti conviene stamparli coricati, appoggiati dallla parte del taglio in questo modo penso che dovrebbero risultare più resistenti alla flessione. -
Mini notebook convertibile con Raspberry Pi4
Salvogi ha risposto a Salvogi nella discussione Nuove idee e progetti
Grazie a tutti, l'ho pubblicato su Thingiverse https://www.thingiverse.com/thing:4529933 Accetto eventuali idee e suggerimenti. Se per caso qualcuno lo vuole realizzare, sono disponibile per eventuali aiuti. -
Mini notebook convertibile con Raspberry Pi4
Salvogi ha risposto a Salvogi nella discussione Nuove idee e progetti
Grazie -
Certo, anche io sono d'accordo con l'autocostruzione, è sempre uno spunto per imparare qualcosa di nuovo. Più che altro, visto che su Aliexpress c'è il video che mostra il funzionamento, era per dare un'idea di partenza. Comunque, in funzione di quanto stampi potrebbe essere conveniente anche acquistare il macchinario per 500 euro.
-
Ci sono in vendita su Aliexpress, ad esempio qui https://it.aliexpress.com/item/32686428847.html c'è anche un video che mostra il macchinario in funzionamento, effettivamente a me non sembra molto precisa sul diametro in uscita. Oppure come seconda opzione potresti provare un estrusore a pellet https://it.aliexpress.com/item/32967974777.html
-
Mini notebook convertibile con Raspberry Pi4
Salvogi ha risposto a Salvogi nella discussione Nuove idee e progetti
Alla fine ho realizzato lo schema seguente. La parte hardware è completa, adesso dovrei sistemare lo scketch Arduino che per adesso fa solo da pulsante di accensione e spegnimento. Appena completo dovrei mettere il tutto su Thingiverse. Intanto allego le foto della realizzazione. -
Mini notebook convertibile con Raspberry Pi4
Salvogi ha risposto a Salvogi nella discussione Nuove idee e progetti
Ci siamo quasi, bisogna solo riuscire a chiudere il tutto. Nel frattempo mi sono arrivate le pile comprate su Aliexpress. -
Mini notebook convertibile con Raspberry Pi4
Salvogi ha risposto a Salvogi nella discussione Nuove idee e progetti
Un cablaggio pulito 🤣, quasi quasi posso andare a fare l'elettricista. C'erano diversi errori nello schema, l'ho corretto in corso d'opera ed ho pasticciato ancora più di prima. -
Ma è possibile con un alimentatore ??????
Salvogi ha risposto a Killrob nella discussione Hardware e componenti
Come dice @agi62, quel diodo potrebbe servire come protezione dalle inversioni in questo caso sarebbe collegato con il catodo al positivo di alimentazione e l'anodo al negativo. Il diodo in funzionamento normale non dovrebbe mai fare scorrere corrente mentre se si inverte l'alimentazione crea un cortocircuito. Solitamente è abbinato ad un fusibile o ad un ptc. Se non c'è fusibile o ptc sono guai perchè l'alimentatore avrà distrutto il diodo e la tensione inversa sarà passata alla scheda. Puoi verificare il diodo con un tester, solitamente è la funzione abbinata alla prova di continuita (quella col cicalino). Menomale -
Mini notebook convertibile con Raspberry Pi4
Salvogi ha risposto a Salvogi nella discussione Nuove idee e progetti
Per evitare confusioni nei collegamenti ho disegnato lo schema finale. Manca solo il modulo ACS712 che mi dovrebbe arrivare mercoledì via Amazon. Purtroppo a casa non avevo mosfet a canale P quindi ho ovviato con un TIP147. -
Mini notebook convertibile con Raspberry Pi4
Salvogi ha risposto a Salvogi nella discussione Nuove idee e progetti
Ho seri dubbi che riuscirò a chiudere il tutto Ci devo ancora mettere un altoparlante, un transistor ed un modulo sensore ACS712. Avevo anche previsto un circuito stampato, ma la CNC mi ha fatto un lavoro con i fiocchi, non c'è che dire. Comunque almeno ho capito che non ci sarebbe mai potuto entrare, quindi i componenti li ho messi volanti. -
Ma è possibile con un alimentatore ??????
Salvogi ha risposto a Killrob nella discussione Hardware e componenti
Mi dispiace, speriamo che non ci sia un grosso danno. Dovresti capire come mai l'alimentatore ti da 27V in uscita, forse è il caso di cambiarlo prima che fa altri danni. Sei sicuro che è il diodo ad essersi bruciato? Nella mia carriera da hobbista ho bruciato una miriade di transistor ed integrati, un paio di led e un elettrolitico ma diodi non ne ho mai rovinati. -
Build log costruzione stampante grande formato
Salvogi ha risposto a FoNzY nella discussione Nuove idee e progetti
Complimenti, bel progetto. L'unica cosa che stona è quell'estrusore BMG in plastica ma questo è un dettaglio perchè quando vorrai lo potrai sostituire con uno all-metal tanto gli ingombri sono gli stessi. -
Mini notebook convertibile con Raspberry Pi4
Salvogi ha risposto a Salvogi nella discussione Nuove idee e progetti
Mannaggia a me, distruggo tutto, con il saldatore ho staccato la piazzola dell'alimentazione della webcam. Ho rimosso il connettore nel tentativo di trovare il punto dove collegare l'alimentazione, poi ho risolto collegamendo l'alimentazione sul piedino di alimentazione di una memoria flash e fortunatamente ha funzionato. Spero che il collegamento di fortuna sulla webcam tenga. La quantità di cavi è un po' eccessiva, se sapevo prima che il cavo HDMI aveva 14 connessioni non ci avrei neanche pensato a questo progetto. Con tutti questi fili non mi bastavano neanche i colori quindi ho usato colori un po' a casaccio ad esempio il +V è blu spero di non fare cortocircuiti. Comunque alla fine HDMI, Webcam, touchscreen e pulsante di accensione funzionano. Purtroppo dopo che ho chiuso tutto mi sono accorto che non funzionava l'interruttore accanto al pulsante. Ho usato fili rigidi recuperati da un cavo UTP, spero che aprendo e chiudendo il display non si spezzino. -
Gestione Z home
Salvogi ha risposto a claudio57 nella discussione Software di slicing, firmware e GCode
Mi ero fidato dei vari articoli che avevo trovato online in cui dicevano di settare Vref=0,4xA, dopo la risposta di @jagger75 ho verificato i driver che ho installato io ed ho visto che effettivamente le resistenze S1 ed S2 sono tutte da 0,1 ohm (sigle R10 o R100) quindi ho scoperto di avere regolato tutte le correnti a metà 😬. Casomai le alzerò un po'. -
Gestione Z home
Salvogi ha risposto a claudio57 nella discussione Software di slicing, firmware e GCode
Ok, corretto, non ci avevo pensato. -
Gestione Z home
Salvogi ha risposto a claudio57 nella discussione Software di slicing, firmware e GCode
Forse effettivamente la sezione è corretta se si presupponeva un problema firmware. Non ho capito perchè alla fine moltiplichi per 2. Se i driver sono A4988 marca Pololu normalmente nei piedini sense hanno resistenze da 0,05ohm quindi la corrente va moltiplicata per 0,4. Quindi 0,9x0,7=0,63A per cui 0,63x0,4=0,252V qindi puoi tarare a 0,25V o 0,26V. In alcuni driver sui piedini sense dell'integrato c'è una resistenza da 0,1ohm ed in questo caso la corrente andrebbe moltiplicata per 0,8 come hai fatto tu. Ma comunemente i driver hanno resistenze da 0,05ohm. -
Mini notebook convertibile con Raspberry Pi4
Salvogi ha risposto a Salvogi nella discussione Nuove idee e progetti
Il primo disegno di passacavi non è andato come speravo perchè è fragile, un po' instabile e occorrono 3 paia di mani per assemblarlo. Quindi l'ho ridisegnato. Ci sono un po troppi bridging, speriamo di riuscirci -
Gestione Z home
Salvogi ha risposto a claudio57 nella discussione Software di slicing, firmware e GCode
Iniziare con una stampante autocostruita è più difficile e nascono molti problemi però la soddisfazione è maggiore e si imparano molte cose in più. Non è tempo perso quello speso ad imparare, bisogna avere pazienza, non ti preoccupare prima o poi riuscirai a mettere tutto a posto. Prova a mettere un po' di lubrificante sulle barre filettate. La Vref non può essere regolata ad occhio ma va regolata in base al motore. Cerca la sigla del tuo motore su internet e trovi la corrente massima. Calcola il 70% di tale corrente perchè se fai il 100% puoi bruciare il motore. Calcola la Vref moltiplicando la corrente in A per il fattore 0,4. Comunque metti i nuovi post nelle sezioni giuste. Per problemi con la stampante dovresti postare su "Problemi generici o di qualità di stampa. -
Con SPI_SD_INIT_RATE settato su 6 l'inizializzazione della microsd avviene con una frequenza inferiore. Alcune microsd supportano anche 5. Impostando SPI_SD_INIT_RATE su 6 si va sul sicuro. Almeno penso che questa sia la spiegazione, non vorrei avere detto troppe cavolate 😆. Sapevo di ciò perchè quando ho installato il primo firmware sulla mia stampante delta ho avuto gli stessi problemi.
