Carlo50 Inviato 12 Novembre 2019 Inviato 12 Novembre 2019 Serramazzoni Modena 12/11/2019 Vorrei aggiungere un terzo estrusore alla scheda 3dcontr-dual di fabbricazione futurashop. Penso di recuperare un angolo di un'altra scheda rotta, che contenga tutta l'elettronica necessaria, tranne naturalmente i collegamenti all'atmega. Vorrei sapere da voi quali modifiche debbo fare a Marlin ed i piedini di uscita del processore (temperatura, potenza e driver) per saldarvi i fili relativi (mi sembrano 8, 1 del termistore, 1 del riscaldatore e 3 per il controllo driver e 3 di alimentazione). Non rispondetemi chiedendo come faro', e neppure dicendo che perdo dello spazio, lo so gia' e non mi importa. Carlo Montecchi Cita
marcottt Inviato 12 Novembre 2019 Inviato 12 Novembre 2019 Io non ne ho idea però facci sapere e vedere x favore [emoji120]Inviato dal mio tablet utilizzando Tapatalk Cita
Whitedavil Inviato 12 Novembre 2019 Inviato 12 Novembre 2019 Magari se posti, non dico uno schema, ma almeno le foto di entrambe le schede sarebbe meglio. Il problema non è tanto il driver, che lavora in TTL, quanto la sonda (ntc con resistenza come partitore, da vedere se a massa o positivo + condensatore) e il pilotaggio del mosfet per il riscaldatore, soprattutto per quest'ultimo, ci sono almeno 10 modi diversi per ottenere lo stesso risultato. Devi vedere che tipo di mosfet è, se canale N o P, se è un logic level o meno ecc... Per cui non si tratta solo di saldare 4 fili e via... Poi se hai voglia di sbatterti e se un po' ferrato in elettronica, un aiuto te lo do ben volentieri ma sappi che alla fine spenderai di più, tra tempo e soldi che farti una elettronica nuova da aliexpress... Cita
Carlo50 Inviato 13 Novembre 2019 Autore Inviato 13 Novembre 2019 Il problema hardware so come risolverlo, quelo che mi manca e' la modifica da fare in Marlin e file associati per passare da 2 a tre estrusori. Da parte mia ho provato a modificare il numero di estrusori da 2 a 3 su configuration.h, ma compilandolo, mi da' un errore che non so dove risolvere(vedi particolare errore). Il file di partenza e' Marlin_LCD_Alfa_2EXT175 di Futura Carlo Montecchi Cita
Whitedavil Inviato 13 Novembre 2019 Inviato 13 Novembre 2019 Oltre al numero di estrusori, devi anche assegnare i relativi pin, infatti l'errore ti dice che hai abilitato l'estrusore ma non hai definito i pon necessari al suo funzionamento. Devi guardare nel file della tua scheda ed assegnare i relativi pin. Cita
Carlo50 Inviato 14 Novembre 2019 Autore Inviato 14 Novembre 2019 Serramazzoni Modena 14/11/1719 E' qui che casca l'asino, ho cercato di capire come Marlin attribuisca i numeri dei pin, ma dopo aver fatto una tabella, non sono riuscito a trovare un nesso col numero assegnato e quello effettivo dell'Atmega. Vi invio tutta la documentazione in mio possesso, poi mi arrendero' visto che anche Futura non sa aiutarmi. Numerazione dei pins.txt Cita
Whitedavil Inviato 14 Novembre 2019 Inviato 14 Novembre 2019 L'asino casca ben bene, futrura sulla solo scheda usa i pin della cpu, mentre marlin li usa come digital_pin. Devi scaricarti il datasheet della cpu, lo schema di nomenclatura di ARDUINO e fare la comparazione. Non mi sembra così complicato. Cita
Carlo50 Inviato 14 Novembre 2019 Autore Inviato 14 Novembre 2019 Serramazzoni Modena 14/11/1719 E' qui che casca l'asino, ho cercato di capire come Marlin attribuisca i numeri dei pin, ma dopo aver fatto una tabella, non sono riuscito a trovare un nesso col numero assegnato e quello effettivo dell'Atmega. Vi invio tutta la documentazione in mio possesso, poi mi arrendero' visto che anche Futura non sa aiutarmi. Grazie, sono riuscito a compilare e caricare su arduino mega e sembra funzionare tutto bene. Ora posso procedere. Serramazzoni Modena 14/11/2019 Grazie della indicazione, ora l'asino e' riuscito a modificare i file, compilare marlin e caricarlo su arduino mega. Con repetier vede la temperatura del terzo estrusore ed ora posso procedere con l'hardware. Carlo Montecchi 1 Cita
Whitedavil Inviato 15 Novembre 2019 Inviato 15 Novembre 2019 Figurati, se hai altre domande..... Cita
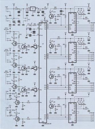
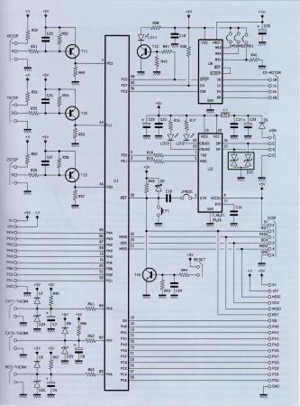
Carlo50 Inviato 30 Novembre 2019 Autore Inviato 30 Novembre 2019 Serramazzoni Modena 30/11/2019 Effettivamente la modifica mi sta portando via molto tempo, ma ne ho tanto, visto che sono in pensione e non guardo la TV. Riguardo il materiale, utilizzo le scorte accumulate nell'arco di un anno di prove. Mi sono costruito uno shield per atmega con partitori di tensione per le temperature in ingresso (43 e 220 gradi)e alcuni led per i comandi in uscita. PINS_3DRAG Arduino 3DContr-Dual #define E0_STEP_PIN 26---------------->74 #define E0_DIR_PIN 28---------------->72 #define E0_ENABLE_PIN 24---------------->76 #define E1_STEP_PIN 32---------------->58 #define E1_DIR_PIN 34---------------->56 #define E1_ENABLE_PIN 30---------------->60 #define E2_STEP_PIN 22---------------->78 #define E2_DIR_PIN 39---------------->70 #define E2_ENABLE_PIN 36---------------->54 #define TEMP_0_PIN 13 // ANALOG----->84 #define TEMP_1_PIN 15 // ANALOG---->82 #define TEMP_2_PIN 5 // ANALOG------>5 #define HEATER_BED_PIN 14 // BED-------->83 PINS_3DRAG #define HEATER_0_PIN 10---------------->23 #define HEATER_1_PIN 11---------------->24 #define HEATER_2_PIN 5----------------->92 #define HEATER_BED_PIN 9 // BED------->18 #define FAN_PIN 8----------------->17 Ho modificato la scheda 3DContr-Dual aggiungendo un angolo completo di componenti e punti di input comandi, l'ho collaudata e collegata. I pin di sinistra su arduino dovrebbero coincidere con quelli di destra della 3DContr, mentre su Marlin ho inserito quelli di arduino. Ho ridotto ai minimi termini Marlin (eliminando tutte le board inutili, le lingue ed altri file) e dopo averlo compilato l'ho caricato sia su arduino che su 3DContr, ma con due esiti completamente diversi, dato che i led si accendono bene, ma la stampante non si muove a causa degli errori di temperatura. Vi invio i filmati registrati, ed i vari file, sperando nell'aiuto di qualche volenteroso. Carlo Montecchi Accensione di 5 led su arduino mega.avi Errori di repetier.avi Temperature errate su 3DRag3Ext.avi Problemi incontrati.TXT Cita
Messaggi raccomandati
Partecipa alla conversazione
Puoi pubblicare ora e registrarti più tardi. Se hai un account, accedi ora per pubblicarlo con il tuo account.