Elaboratore Inviato 26 Dicembre 2018 Inviato 26 Dicembre 2018 Salve a tutti, i moduli aggiuntivi TL-Smoother, dicono che migliorano la stampa ed abbassano il rumore, funzionano davvero? https://www.amazon.it/BIQU-aggiuntivo-TL-Smoother-controller-confezione/dp/B0719D5N2V/ref=sr_1_1?s=industrial&ie=UTF8&qid=1545792981&sr=1-1&keywords=TL-Smoother Chi li usa? Grazie per le info.. Cita
marcottt Inviato 26 Dicembre 2018 Inviato 26 Dicembre 2018 Dipende... Se hai come driver i a4988 non servono a niente nel mio caso (anycubic kossel plus) Inviato dal mio SM-G935F utilizzando Tapatalk Cita
Elaboratore Inviato 26 Dicembre 2018 Autore Inviato 26 Dicembre 2018 1 ora fa, Marcottt dice: Dipende... Se hai come driver i a4988 non servono a niente nel mio caso (anycubic kossel plus) Inviato dal mio SM-G935F utilizzando Tapatalk Come faccio a capire che drivers monta la mia copymaster 500? https://copymaster3d.com/collections/copymaster-3d-printers/products/copymaster-3d-500?variant=17715542261818 Io ipotizzo che monta gli stessi motori della CR-10S. Cita
marcottt Inviato 26 Dicembre 2018 Inviato 26 Dicembre 2018 Non I motori... I driver sono le elettroniche che pilotano i motori. Spesso sono 4 \ 5 schedine aggiunte Inviato dal mio SM-G935F utilizzando Tapatalk Cita
FoNzY Inviato 26 Dicembre 2018 Inviato 26 Dicembre 2018 9 ore fa, Elaboratore dice: Salve a tutti, i moduli aggiuntivi TL-Smoother, dicono che migliorano la stampa ed abbassano il rumore, funzionano davvero? https://www.amazon.it/BIQU-aggiuntivo-TL-Smoother-controller-confezione/dp/B0719D5N2V/ref=sr_1_1?s=industrial&ie=UTF8&qid=1545792981&sr=1-1&keywords=TL-Smoother Chi li usa? Grazie per le info.. nel canale 1 vedi un onda generata dal driver stepper, nel canale 2 vedi la stessa onda dopo essere passata nello smoother... come vedi è super inutile... le considerazioni da fare sono che un driver migliore avrebbe generato un onda molto piu' pulita, infatti sono rimasto sorpeso da quanto sia irregolare ma d'altronde è un driver da pochi euro.... il tl smoother non fornisce alcuna sorta di miglioramento, sebbene migliori di pochissimo la forma dell'onda ne amplifica i disturbi(quando ce ne sono)...conviene prendere un driver stepper migliore piuttosto che questi diodi 2 Cita
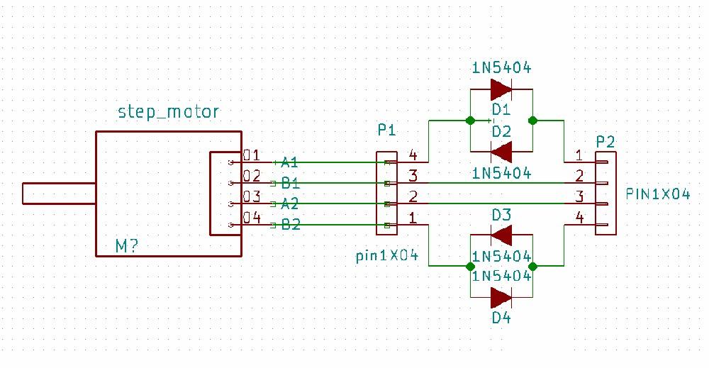
agi62 Inviato 26 Dicembre 2018 Inviato 26 Dicembre 2018 Se non ho capito male si tratta di diodi da 400V 3A che servono da flyback, al massimo evitano che gli spike generati dagli avvolgimenti dei motori tornino ai driver (che hanno già i loro flyback all'interno), se a stampante spenta, spostando rapidamente il piatto, si accende il display (non esagerate nella prova), allora forse queste schedine possono tornare utili e probabilmente si abbatteranno alcune incertezze dei motori, però quello che non mi torna è come abbiano collegato gli 8 diodi su una linea a 4 fili per motore bipolare visto che la corrente deve circolare nei due sensi, magari se qualcuno sa come sono collegati possiamo provare a capire qualcosa in più. Cita
FoNzY Inviato 26 Dicembre 2018 Inviato 26 Dicembre 2018 1 ora fa, agi62 dice: Se non ho capito male si tratta di diodi da 400V 3A che servono da flyback, al massimo evitano che gli spike generati dagli avvolgimenti dei motori tornino ai driver (che hanno già i loro flyback all'interno), se a stampante spenta, spostando rapidamente il piatto, si accende il display (non esagerate nella prova), allora forse queste schedine possono tornare utili e probabilmente si abbatteranno alcune incertezze dei motori se si gira il motore il display si accende, ma non credo che sia un test affidabile, se paragoniamo la debole inerzia durante la stampa alla forza necessaria per girare il motore e far accendere il display(o comunque generare una tensione di 1v) le due forze testate sono veramente impari..... anche nell'eventulaita' dell'inerzia che generi tensione(non da accendere il display ma solo un disturbo) un buon driver sicuramente non ne risente..quindi la domanda è, meglio un buon driver o un pessimo driver con questi smother? (quella in foto è quello che ho testato) per quanto riguarda il posizionamento dei diodi nella configurazione a 8...uhmmmm..... solo un modo possibile.....ogni linea ha 2 diodi 😄 Cita
agi62 Inviato 26 Dicembre 2018 Inviato 26 Dicembre 2018 Si, ho provato anche io le varie combinazioni e quella che hai disegnato è l'unica sensata ma così non servono a una mazza, 🙂 L'unica configurazione che serve è il flayback che non è possibile inserirlo sui 4 fili del motore perchè i diodi devono essere in anti parallelo alle bobine e siccome i nostri motori sono bipolari l'unico modo è inserirli "dentro" ai driver, e infatti ci sono già ma purtroppo non sono del tipo veloce quindi hanno meno effetto. Altrimenti bisognerebbe costruire il ponte H da zero a quel punto come diodi di flayback si possono installare quelli più adatti. Per quanto riguarda il fatto dell'accensione del display, la prova va fatta con la stampante spenta, la forza che serve è veramente minima e probabilmente la tensione generata dal motore basta a mandare in conduzione i fet e mandare tensione sulla linea principale, con motori bipolari è difficile evitarlo. Così a naso direi a questo punto che quelle schedine non servano a una mazza, oppure, semplicemente, mettendo i diodi nella configurazione che hai disegnato, praticamente in serie alle bobine, riescono ad eliminare quei 2,4V di innesco che forse fanno fare meno rumore ai motori... boh 🙂 Cita
marcottt Inviato 26 Dicembre 2018 Inviato 26 Dicembre 2018 Comunque a me non è cambiato assolutamente nulla Inviato dal mio SM-G935F utilizzando Tapatalk Cita
Elaboratore Inviato 27 Dicembre 2018 Autore Inviato 27 Dicembre 2018 Io non ho ancora provato questi dispositivi, quindi non posso esprimermi sulla loro efficacia, e non avrei chiesto un parere. Pero' posso fare delle considerazioni, da perito tecnico; il diodo ha una caduta di tensione di circa 0.6 ~ 0.7 V, se per far girare il motore ne conducono due in serie (su fili diversi), la caduta di tensione diventa 1.4V. Quindi da questo sappiamo per certo che il TL-Smoother è passivo e certamente abbassa la tensione sul motore. Altra considerazione, il diodo non conduce per tensioni inferiori a 0.6V oppure il doppio se in gioco ci sono due diodi come scrivo sopra. quindi per piccole tensioni sotto questa soglia, il motore non si muove, o non si blocca, assecondo cosa il driver richiede. Quindi questi effetti li possiamo riscontrare nella pratica, come: 1) minimi e quindi irrilevanti/inutili, 2) leggermente rilevanti ma deleteri perche' peggiorano la precisione di stampa, 3) Leggermente rilevanti e migliorano la stampa (cioe' quello che promette il venditore). Anche io mi sono convinto che sono soldi persi, ma forse li proverò comunque. Per ottenere davvero dei benefici, direi che sia piu' efficace scegliere un valore di Jerk adeguato alla stampante e non ultima la giusta accelerazione , e sicuramente avere un ottimo driver. Cita
Messaggi raccomandati
Partecipa alla conversazione
Puoi pubblicare ora e registrarti più tardi. Se hai un account, accedi ora per pubblicarlo con il tuo account.