-
Numero contenuti
1.546 -
Iscritto
-
Ultima visita
-
Giorni Vinti
37
Tipo di contenuto
Profili
Articoli
Introduzione alla stampa 3D
Database materiali
Forum
Calendario
Blogs
Gallery
Download
Store
Tutti i contenuti di Alessandro Tassinari
-
Versione 1.0.0
Curvy Pot Mini - Vasetto ideale per un regalo alternativo Curvy Pot Mini è un piccolo vasetto, ideale per ospitare al suo interno una piccola pianta grassa, un cactus o una succulenta. Caratterizzato da una superficie curva, si presta come regalo per tutte le occasioni che necessitano di un design unico. Modello fornito in GCODE Questo modello 3D è fornito in GCODE. Questo significa che sarà sufficiente inserirlo nella tua stampante 3D e avviare la stampa senza fare lo slicing. Sarà tuo compito adattare i parametri di stampa in base alle tue necessità specifiche (velocità e temperatura di stampa). Con questo progetto, avrai l'opportunità di stampare un oggetto unico e, allo stesso tempo, di affinare le tue competenze tecniche. Stampa Tutte le Volte che Vuoi! Una volta acquistato il modello 3D, potrai stamparlo tutte le voltre che vorrai! Caratteristiche Tecniche Dettagliate Dimensioni: Diametro centrale 80 mm, top e bottom 58 mm, altezza 65 mm Layer Height: 0.3 mm Perimetri: 1 Bottom Layer: 3 Flusso di Estrusione (E): 1/5 Velocità di Stampa: 25 mm/s Velocità Ventole: Massima Tempo di Stampa: circa 45 minuti Temperatura di Stampa: 210°C ATTENZIONE - DISCLAIMER Curvy Pot Mini è un progetto sperimentale. Curvy Pot Mini viene fornito sotto forma di GCODE. Il GCODE fornito potrebbe non essere compatibile con tutte le stampanti 3D. Ti consigliamo di stampare questo modello solo se sei un utente esperto, pronto ad accettare una sfida stimolante. Rischi Limitati, Soddisfazione Garantita Nonostante la sua natura sperimentale, i rischi sono minimi. I parametri di stampa sono ben noti agli appassionati, e la semplicità del GCODE lo rende accessibile. Tuttavia, consigliamo prudenza e cura nella gestione del processo di stampa.3 € -
Ciao collega, benvenuto 😉
-
CactuCup
Alessandro Tassinari ha aggiunto delle immagini alla un album della gallery in Modelli stampati 3D
-
Dall'album: CactuCup
Altri CactuCup stampati in materiali differenti -
Dall'album: CactuCup
-
Dall'album: CactuCup
-
Dall'album: CactuCup
-
buon anno a tutti
Alessandro Tassinari ha risposto a Tanbruk nella discussione Notizie sulla stampa 3D
Buon anno a tutti! -
Ciao @Cubo, grazie per aver condiviso la tua esperienza! Ti do qualche risposta di seguito: per quanto riguarda il gcode iniziale, ho appena apportato qualche modifica, riducendo la velocità che hai segnalato; per quanto riguarda le superfici piene di bottom, ho controllato il codice e non mi risultano problemi su Z. Anche a seguito di un mio test di stampa, tutto ok. Mi chiedo, hai avuto problemi con quei 3 primi layer, oppure in generale è uscito tutto ok? Per altre versioni, ho qualcosa in mente 🙂 intanto, carico una versione aggiornata del gcode!
-
Ciao community 😃 A seguito di questa interessante discussione avviata a febbraio scorso, torno alla carica con la pubblicazione di un modello 3D scaricabile in formato GCODE. Mi ha fatto molto piacere vedere che in diversi si sono interessati alla stampa 3D di forme poco convenzionali e, dopo aver approfondito in modo maniacale la questione (😇) - soprattutto per la stampa 3D di arredo - ho deciso di dare seguito alla sperimentazione che abbiamo fatto insieme pubblicando un design rifinito e pensato per un uso specifico come vasetto. CactuCup è un piccolo vasetto che deriva in qualche modo dai test che abbiamo fatto insieme e che potrebbe fare parte di una piccola collezione di modelli 3D che vorrei realizzare e mettere a disposizione in particolar modo qui su Stampa 3D forum 🙈 Il piccolo contributo economico che chiedo sarà fondamentale nel portare avanti il progetto, realizzare nuovi prodotti e fare ulteriori sviluppi. Inoltre, non dimentate: il gcode sarà vostro a oltranza! 🥳 Ecco qui CactuCup: Qui alcune immagini del mio CactuCup
-
Versione 0.0.3
CactuCup: Un Piccolo Capolavoro di Design che Sfida gli Appassionati di Stampa 3D Innovazione e Unicità in Ogni Stampa CactuCup non è solo un vasetto, è una vera e propria espressione artistica nel mondo della stampa 3D. La sua caratteristica principale è il sorprendente pattern curvilineo, frutto di un design unico che si avvale della gravità per creare forme geometriche irripetibili. Ogni stampa di CactuCup è un'avventura: non troverai mai due vasi uguali, rendendo ogni pezzo una rarità nel suo genere. Sfida le Tue Abilità di Stampa Questo modello è una vera sfida per chi ama la stampa 3D. Gestire i parametri di stampa richiede abilità e passione, e CactuCup mette alla prova entrambe. Con questo progetto, avrai l'opportunità di stampare un oggetto unico e, allo stesso tempo, di affinare le tue competenze tecniche. Stampa Tutte le Volte che Vuoi! Una volta acquistato il modello 3D, potrai stamparlo tutte le voltre che vorrai! Sperimenta parametri di stampa diversi e scopri l'unicità di stampare lo speciale pattern curvilineo con materiali diversi. Caratteristiche Tecniche Dettagliate Dimensioni: Diametro centrale 80 mm, top e bottom 58 mm, altezza 56 mm Pattern: 1110 con distanza tra le tessiture di 3 mm e 60 weaves Layer Height: 0.3 mm Perimetri: 1 Bottom Layer: 3 Flusso di Estrusione (E): 1/5 Velocità di Stampa: 25 mm/s Velocità Ventole: Massima Tempo di Stampa: circa 40 minuti Temperatura di Stampa: 210°C ATTENZIONE - DISCLAIMER CactuCup è un progetto sperimentale. CactuCup viene fornito sotto forma di GCODE. Il GCODE fornito potrebbe non essere compatibile con tutte le stampanti 3D. Ti consigliamo di stampare questo modello solo se sei un utente esperto, pronto ad accettare una sfida stimolante. Rischi Limitati, Soddisfazione Garantita Nonostante la sua natura sperimentale, i rischi sono minimi. I parametri di stampa sono ben noti agli appassionati, e la semplicità del GCODE lo rende accessibile. Tuttavia, consigliamo prudenza e cura nella gestione del processo di stampa. Per saperne di più, qui trovi una discussione dedicata:3 € -
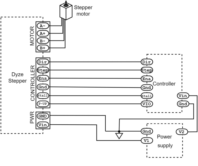
Collegamenti DYZE Pulsar e DYZE Stepper Driver a Ramps
Alessandro Tassinari ha pubblicato una discussione in Hardware e componenti
Ciao! Finalmente è arrivato in laboratorio l’esteusore DYZE Pulsar insieme al suo Stepper Driver. Sto facendo i cablaggi su una Ramps ma non ci salto fuori… Questo lo stepper driver : https://dyzedesign.com/shop/accessories/dyze-stepper-driver/ Queste le indicazioni su Pulsar: https://docs.dyzedesign.com/pulsar.html Queste le indicazioni di cablaggio di Dyze: Qualcuno sa aiutarmi? -
Nuovo acquisto
Alessandro Tassinari ha risposto a Gnulio nella discussione La mia prima stampante 3D
Eccolo: https://www.stampa3d-forum.it/forums/forum/175-qidi/ -
Stampa 3D a resina: guida ai parametri chiave per la perfezione
Alessandro Tassinari ha pubblicato una discussione in Guide di Stampa 3D forum
Visualizza articolo-
- 1
-
-
Stampa 3D a resina: guida ai parametri chiave per la perfezione
Alessandro Tassinari ha pubblicato un articolo in Guide
Nel mondo dinamico e in rapida evoluzione della stampa 3D, la tecnica di stampa con resina emerge come una soluzione che offre precisione e dettagli di qualità superiore. Questo metodo, noto per la sua capacità di realizzare oggetti con una finitura liscia e un livello di dettaglio elevato, apre nuove frontiere nell'ambito della fabbricazione digitale. Tuttavia, per sfruttare appieno le potenzialità di questa tecnologia, è essenziale comprendere in profondità e ottimizzare vari parametri critici. In questa guida: > Introduzione > Preparazione del Modello 3D e Slicing > Scelta della Resina > Tempo di Esposizione e Potenza UV > Temperatura e Condizioni Ambientali > Post-Elaborazione > Manutenzione e Sicurezza > Service di stampa 3D a resina > Le 5 migliori stampanti 3D a resina Introduzione La stampa 3D con resina si differenzia dalle altre forme di stampa 3D per il suo approccio unico nel trattare il materiale. A differenza del processo di deposizione fusa (FDM), che costruisce gli oggetti strato per strato con filamenti plastici, la stampa con resina utilizza una luce UV per indurire una resina liquida, trasformandola in solidi dettagliati. Questo processo, noto come stereolitografia (SLA) o Digital Light Processing (DLP), richiede un'attenzione particolare ai parametri di stampa per garantire risultati ottimali. Nelle prossime sezioni, esploreremo passo dopo passo i parametri chiave che influenzano il processo di stampa 3D con resina, dalla preparazione del modello 3D e slicing, alla scelta della resina, al controllo del tempo di esposizione e della potenza UV, fino alle pratiche di post-elaborazione e alle considerazioni sulla manutenzione e sicurezza. Comprendere e gestire questi elementi è fondamentale per ottenere stampe di alta qualità e per sfruttare al meglio le incredibili capacità della stampa 3D in resina. Torna all'Indice Preparazione del Modello 3D e Slicing La preparazione del modello 3D e il processo di slicing sono passaggi fondamentali nella stampa 3D con resina. Questa fase inizia con la scelta e l'ottimizzazione del modello digitale 3D che si desidera stampare. È importante considerare la complessità del modello e come questo influenzerà la stampa. Una volta selezionato il modello, si passa al processo di slicing attraverso un software specifico. Qui, il modello viene suddiviso in strati sottili che la stampante sarà in grado di creare uno per uno. Durante lo slicing, è cruciale impostare lo spessore di ogni strato, l'orientamento del modello sulla piattaforma di stampa e le strutture di supporto necessarie. Queste impostazioni influenzano non solo la qualità finale della stampa, ma anche il tempo e il consumo di resina necessari per completare il progetto. Un slicing accurato è quindi essenziale per ottenere stampe dettagliate, evitare errori durante la stampa e ottimizzare l'uso delle risorse. Torna all'Indice Scelta della Resina La scelta della resina è un aspetto cruciale della stampa 3D, che influisce direttamente sulla qualità e sulle proprietà dell'oggetto finito. Sul mercato sono disponibili diverse tipologie di resine, ognuna adatta a specifiche esigenze e applicazioni. Le resine standard, per esempio, sono versatili e adatte per una vasta gamma di applicazioni generiche. Resina standard - Vedi i migliori prezzi su Amazon Tuttavia, per progetti che richiedono caratteristiche speciali, come flessibilità, resistenza ad alte temperature o trasparenza, si dovrebbero considerare resine specializzate. Un esempio è la resina flessibile in TPU, ideale per creare oggetti che necessitano di flessibilità e durabilità. Resina flessibile - Vedi i migliori prezzi su Amazon Per applicazioni che richiedono una finitura trasparente e dettagliati, potrebbe essere preferibile la resina trasparente. Resina trasparente - Vedi i migliori prezzi su Amazon È fondamentale seguire le istruzioni del produttore per quanto riguarda i parametri di esposizione, in quanto ogni tipo di resina ha esigenze specifiche di polimerizzazione per ottenere i migliori risultati. Scegliere la resina giusta non solo migliora la qualità della stampa, ma può anche espandere le possibilità creative e funzionali dei tuoi progetti di stampa 3D. Torna all'Indice Tempo di esposizione e potenza UV Il tempo di esposizione e la potenza UV sono parametri cruciali nella stampa 3D con resina, determinando la qualità e la resistenza dell'oggetto stampato. Il tempo di esposizione si riferisce alla durata per cui ogni strato di resina è esposto alla luce UV per indurirlo. Un'esposizione troppo breve può portare a strati deboli e scarsamente adesi, mentre un tempo eccessivo può causare la perdita di dettagli fini e deformazioni. La potenza della fonte UV influisce sulla velocità di polimerizzazione della resina. Stampanti con sorgenti UV più potenti possono lavorare più rapidamente, ma richiedono un'attenta calibrazione del tempo di esposizione. Prodotti come la stampante 3D Anycubic Photon Mono 4K offrono un equilibrio ottimale tra potenza e precisione, adattandosi a diversi tipi di resine. Scopri offerta su Amazon Torna all'Indice Temperatura e condizioni ambientali La temperatura e le condizioni ambientali giocano un ruolo fondamentale nella stampa 3D con resina. Una temperatura ambientale troppo bassa può influenzare negativamente la fluidità della resina, rendendo la stampa meno precisa e aumentando il rischio di fallimento. Al contrario, un ambiente troppo caldo può accelerare la polimerizzazione della resina, compromettendo la qualità del dettaglio e causando potenziali deformazioni. Idealmente, la stanza dove si trova la stampante dovrebbe essere mantenuta a una temperatura costante, preferibilmente intorno ai 20-25°C, per garantire risultati ottimali. È anche importante considerare l'umidità: un ambiente eccessivamente umido può interferire con il processo di polimerizzazione. Per monitorare e controllare queste condizioni, potresti considerare l'uso di un termometro o igrometro digitale. Questi strumenti aiutano a mantenere l'ambiente ideale per la stampa 3D in resina, assicurando che i tuoi progetti raggiungano la massima qualità possibile. Torna all'Indice Post-Elaborazione La fase di post-elaborazione è critica nella stampa 3D con resina per assicurare che l'oggetto finito raggiunga la qualità e la finitura desiderate. Dopo la stampa, l'oggetto richiede una pulizia approfondita per rimuovere ogni traccia di resina non polimerizzata. Questo può essere fatto usando alcol isopropilico, che è efficace nel rimuovere la resina in eccesso. L'uso dell'alcol isopropilico però non è da tutti: è un materiale altamente infiammabile ed emette fumi tossici. Invece di usare le tradizionali resine per stampa 3D, potresti usare una resina lavabile in acqua. Questa particolare resina ti permette di pulire il pezzo semplicemente immergendolo in acqua, anche fredda. Dopo la pulizia, l'oggetto va esposto a una sorgente di luce UV per completare il processo di polimerizzazione. Per questo scopo, si possono utilizzare camere di post-curing UV, come il modello Elegoo Mercury Plus disponibile su Amazon, che garantiscono un'illuminazione uniforme e tempi di esposizione controllati. Se sei alla ricerca di una stazione di lavaggio e polimerizzazione per la tua stampante 3D a resina, ho scritto una guida dedicata dove ti mostro i migliori prodotti all in one disponibili sul mercato: Torna all'Indice Manutenzione e Sicurezza La manutenzione regolare della stampante e delle vasche di resina è cruciale per mantenere l'efficienza e la longevità del dispositivo. È importante pulire regolarmente la vasca di resina e controllare eventuali segni di usura o danni, che potrebbero influenzare la qualità della stampa. Prodotti come i kit di pulizia per stampanti 3D possono essere utili per questo scopo. Inoltre, la sicurezza durante la manipolazione della resina non deve essere trascurata. Utilizzare sempre guanti protettivi e occhiali di sicurezza, per proteggere la pelle e gli occhi da possibili irritazioni o danni causati dalla resina. Infine, assicurarsi di lavorare in un'area ben ventilata per evitare l'inalazione di fumi potenzialmente nocivi. L'adozione di queste pratiche di manutenzione e sicurezza non solo garantisce la qualità delle stampe ma protegge anche la tua salute e quella del tuo ambiente di lavoro. Torna all'Indice Service di stampa 3D a resina Hai un modello 3D da realizzare a resina ma non hai a disposizione una stampante? Beh, qui ho la soluzione per te. Il modo più veloce e meno costoso per realizzare un modello in resina è utilizzare un service di stampa 3D. Un service di stampa 3D a resina è un'azienda o un fornitore di servizi che offre la possibilità di stampare oggetti in 3D utilizzando la tecnologia a resina. Si tratta di aziende molto grandi e strutturate, che permettono di stampare con tecnologie diverse e che forniscono un servizio professionale di alto livello. I service di stampa oggi hanno un funzionamento molto veloce e diretto. PCBWay è uno dei service di stampa 3D online più completi ed efficienti, ti permette di inviare l'ordine di stampa in pochi click selezionando nel dettaglio le caratteristiche che il componente dovrà avere. Ecco come funziona. E' sufficiente caricare il file digitale del modello 3D che desidera stampare tramite un sistema drag and drop sul sito web del service per iniziare subito a inserire le caratteristiche con cui vuoi che venga realizzato il tuo modello. Il sistema automatico effettuerà un'analisi del file, assicurandosi che sia stampabile con la tecnologia da te scelta. Questo può includere la valutazione dell'orientamento ottimale dell'oggetto, la verifica della presenza di parti troppo sottili o sporgenze complesse che richiedono supporti di stampa, e la valutazione delle dimensioni e delle caratteristiche dell'oggetto. In seguito potrai scegliere i materiali e ulteriori dettagli che andranno a definire il prezzo finale di realizzazione. Infatti, l'ultimo step sarà quello di verifica del preventivo e di conferma dell'ordine Il sistema riceverà il tuo ordine e inizierà a processarlo per la realizzazione, la quale di solito avviene in qualche giorno lavorativo. Scopri il service PCBWay Se sei un utilizzatore del software di modellazione 3D FreeCAD, usare PCBWay è ancora più veloce e conveniente. L'azienda ha collaborato con FreeCAD e realizzato un plugin che permette di inviare file di stampa senza esportare nulla: non devi fare altro che selezionare le componenti da realizzare e cliccare sull'icona di FreeCAD. Il sistema rimanda in automatico al service online di PCBWay, dove i modelli 3D sono caricati in pochi secondi e puoi finire la configurazione dei dettagli di stampa. Con questo sistema l'uso del service di stampa online diventa estremamente efficiente. Torna all'Indice Le 5 migliori stampanti 3D a resina Sul mercato si trovano ormai numerose stampanti 3D in resina acquistabili con budget limitato e facilissime da usare. Ma quali sono le migliori? Qualche consiglio può dartelo Stampa 3D forum! Le stampanti 3D in resina stanno diventando sempre più popolari. La continua riduzione dei costi della tecnologia e delle resine ha reso queste macchine accessibili a chiunque, permettendo di realizzare stampa incredibilmente dettagliate in pochissimo tempo. In questa guida ho selezionato le 5 migliori stampanti 3D a resina, tenendo in considerazione il prezzo e la facilità d'uso. Qui puoi trovare la stampante 3D a resina adatta alle tue esigenze, da usare a casa o in laboratorio. Capire e ottimizzare questi parametri è essenziale per padroneggiare la stampa 3D con la resina. Con la giusta configurazione e attenzione ai dettagli, è possibile produrre oggetti di alta qualità che sfruttano al meglio le potenzialità uniche di questa tecnologia. Torna all'Indice -
Nuovo acquisto
Alessandro Tassinari ha risposto a Gnulio nella discussione La mia prima stampante 3D
Possiamo farlo! 😉 -
Stampa 3D: 10+1 accessori essenziali che rivoluzioneranno la tua esperienza
Alessandro Tassinari ha risposto a Alessandro Tassinari nella discussione Guide di Stampa 3D forum
Utilissimo il Dremel! Grazie per la segnalazione 🙂 -
Le migliori offerte di Black Friday per la stampa 3D
Alessandro Tassinari ha pubblicato una discussione in Guide di Stampa 3D forum
Visualizza articolo -
Le migliori offerte di Black Friday per la stampa 3D
Alessandro Tassinari ha pubblicato un articolo in Guide
Il Black Friday è un evento annuale di shopping che offre sconti eccezionali su una vasta gamma di prodotti. Se sei appassionato di stampa 3D, in questo periodo puoi trovare offerte vantaggiose su stampanti, filamenti, resine e accessori. Queste offerte rappresentano un'ottima occasione per acquistare prodotti di alta qualità a prezzi ridotti, sia per i principianti che per i professionisti del settore. In questa guida: > ELEGOO Saturn 2 > ELEGOO Mars 3 Pro > phrozen Sonic Mighty 4K > Anycubic rapid PLA filament > Creality Carbon Fiber > Anycubic UV Sensitive Resin > Creality 3D Printer Enclosure > Guide all'acquisto utili! > Le 10 migliori stampanti 3D economiche > 10+1 accessori essenziali > Stampanti 3D grande formato - Le più economiche > Le 5 migliori stampanti 3D a resina > Le 3 migliori stampanti 3D per principianti > Filamento PLA: guida alle migliori miscele speciali > Le migliori stampanti 3D sotto i € 300 ELEGOO Saturn 2 La ELEGOO Saturn 2 è una scelta eccellente per gli appassionati di stampa 3D che cercano prestazioni elevate. Questa stampante offre una risoluzione eccezionale, ideale per dettagli fini e modelli complessi. La sua affidabilità e velocità la rendono perfetta sia per hobbisti che per professionisti. Lo sconto del 37% la rende un affare imperdibile durante il Black Friday, offrendo un ottimo rapporto qualità-prezzo. Vedi offerta su Amazon Torna all'Indice ELEGOO Mars 3 Pro L'ELEGOO Mars 3 Pro si distingue per la sua qualità di stampa superiore e costruzione robusta. Questa stampante è adatta per una vasta gamma di applicazioni, dalla realizzazione di prototipi alla produzione di oggetti artistici. Lo sconto del 40% la rende particolarmente attraente, offrendo un prodotto di alta qualità a un prezzo accessibile. È la scelta ideale per chi cerca precisione e affidabilità. Vedi offerta su Amazon Torna all'Indice phrozen Sonic Mighty 4K La phrozen Sonic Mighty 4K è nota per la sua alta precisione e velocità di stampa. Questa stampante 3D è ideale per chi necessita di dettagli estremamente fini, come artisti e designer. Lo sconto del 20% la rende una scelta eccellente per chi desidera un prodotto premium a un prezzo conveniente. La sua capacità di produrre stampe di alta qualità la rende un'opzione privilegiata nel mercato delle stampanti 3D. Vedi offerta su Amazon Torna all'Indice Anycubic rapid PLA filament Il filamento PLA Anycubic rapid è rinomato per la sua qualità e facilità d'uso. Questo materiale è perfetto sia per principianti che per esperti grazie alla sua consistenza uniforme e riduzione del rischio di intasamento. Lo sconto del 17% lo rende un'opzione ancora più attraente per chi cerca materiali di qualità senza spendere una fortuna. È la scelta ideale per una vasta gamma di progetti di stampa 3D. Vedi offerta su Amazon Torna all'Indice Creality Carbon Fiber Il filamento Creality Carbon Fiber è ideale per applicazioni che richiedono resistenza e durabilità. Questo materiale offre una qualità di stampa superiore e una resistenza eccezionale, rendendolo perfetto per oggetti che necessitano di una maggiore resistenza meccanica. Con uno sconto del 28%, rappresenta un'ottima opportunità per acquistare un filamento di alta gamma a un prezzo accessibile. Vedi offerta su Amazon Torna all'Indice Anycubic UV Sensitive Resin La resina UV sensibile Anycubic è ideale per la stampa 3D di modelli dettagliati e precisi. Questo materiale garantisce risultati eccellenti, con dettagli fini e una finitura liscia. Lo sconto di $14,00 la rende particolarmente attraente per coloro che desiderano esplorare la stampa 3D con resine senza spendere molto. È la scelta perfetta per artisti, designer e hobbisti che cercano di realizzare modelli di alta qualità. Vedi offerta su Amazon Torna all'Indice Creality 3D Printer Enclosure L'enclosure per stampanti 3D di Creality, con uno sconto del 41%, è un accessorio essenziale per migliorare la qualità delle stampe. Offre protezione contro la polvere e aiuta a mantenere una temperatura costante, fattori cruciali per ottenere stampe di alta qualità. Questa enclosure è un investimento intelligente per chiunque voglia proteggere la propria stampante e migliorare le prestazioni di stampa. Vedi offerta su Amazon Torna all'Indice Guide all'acquisto utili! Concludendo, queste offerte di Black Friday rappresentano un'occasione imperdibile per gli appassionati di stampa 3D. Puoi approfittare di questi sconti per arricchire il tuo laboratorio o iniziare il tuo viaggio nel mondo della stampa 3D. Ricorda, queste offerte sono disponibili per un tempo limitato! Se dovessi perdere queste offerte però, non ti disperare. Su Stampa 3D forum pubblico continuamente guide all'acquisto utili per individuare le migliori stampanti 3D e i migliori materiali di stampa. I prodotti che consiglio sono economici e in genere puoi trovarli in offerta. Di seguito ti lascio alcune delle mie guide migliori. Sono certo ti paiceranno 😉 Le 10 migliori stampanti 3D economiche Torna all'Indice 10+1 accessori essenziali Torna all'Indice Stampanti 3D grande formato - Le più economiche Torna all'Indice Le 5 migliori stampanti 3D a resina Torna all'Indice Le 3 migliori stampanti 3D per principianti Torna all'Indice Filamento PLA: guida alle migliori miscele speciali Torna all'Indice Le migliori stampanti 3D sotto i € 300 Torna all'Indice -
Stampa 3D: 10+1 accessori essenziali che rivoluzioneranno la tua esperienza
Alessandro Tassinari ha pubblicato un articolo in Guide
La stampa 3D è una tecnologia incredibilmente versatile, ma per ottenere risultati eccezionali e semplificare il processo, è fondamentale avere gli accessori giusti. In questo articolo, esploreremo 10+1 accessori che non possono mancare nel tuo laboratorio se sei un appassionato di stampa 3D. Scoprirai come ognuno di questi strumenti può migliorare la tua esperienza di stampa e semplificare notevolmente il tuo lavoro. Ready? Go!😄 In questa guida: > Accessorio 1 > Accessorio 2 > Accessorio 3 > Accessorio 4 > Accessorio 5 > Accessorio 6 > Accessorio 7 > Accessorio 8 > Accessorio 9: > Accessorio 10 > Accessorio bonus! Accessorio 1: Essiccatore per filamenti Un essiccatore per filamenti da stampa 3D è un dispositivo progettato per rimuovere l'umidità dai filamenti di plastica utilizzati nelle stampanti 3D, come il PLA, l'ABS o il PETG. Questo strumento è essenziale per migliorare la qualità delle tue stampe 3D e prevenire problemi legati all'umidità. Ecco perché un essiccatore per filamenti è fondamentale: Rimozione dell'Umidità: Gli ambienti umidi possono influenzare negativamente i filamenti in plastica, causando problemi come il warping (deformazione dell'oggetto durante la stampa), la formazione di bolle o la riduzione della qualità delle stampe. L'essiccatore rimuove l'umidità residua dai filamenti, mantenendoli asciutti e pronti all'uso. Miglioramento dell'Adesione: L'umidità nei filamenti può impedire una corretta adesione tra gli strati durante la stampa, portando a stampe instabili o difettose. L'essiccatore aiuta a garantire un'adesione adeguata, il che è fondamentale per ottenere risultati di alta qualità. Riduzione delle Imperfezioni: I filamenti umidi possono causare piccole imperfezioni superficiali o bolle nell'oggetto stampato. L'essiccatore contribuisce a ridurre queste imperfezioni, producendo stampe più lisce e uniformi. Minore Rottura dei Filamenti: I filamenti umidi sono più fragili e inclini a rompersi durante la stampa. L'essiccatore aiuta a mantenere i filamenti in uno stato ottimale, riducendo il rischio di rottura durante il processo di estrusione. Prolungamento della Vita Utile dei Filamenti: Mantenendo i filamenti asciutti, l'essiccatore contribuisce a preservarli nel tempo, evitando il deterioramento causato dall'umidità. In sostanza, un essiccatore per filamenti è uno strumento fondamentale per assicurarti che i tuoi filamenti di stampa 3D siano nelle migliori condizioni possibili, il che si traduce in stampe di maggiore qualità, maggiore affidabilità e risultati più consistenti. È un accessorio di stampa 3D fondamentale in ambienti con elevati livelli di umidità o per chi conserva i filamenti per lunghi periodi prima dell'uso. Se spesso hai problemi di stampa o di adesione, potrebbe essere causa dell'umidità: prova usare un essiccatore tra quelli disponibili su Amazon, potresti scoprire che il problema non era del piatto, bensì del filamento 🙂 Vedi essiccatori su Amazon Torna all'Indice Accessorio 2: Colla spray La colla spray per adesione nella stampa 3D è un prodotto utilizzato per migliorare l'aderenza degli oggetti stampati sulla superficie di stampa della tua stampante 3D. Questa colla è comunemente utilizzata quando si stampa con materiali come il PLA, l'ABS o il PETG su piani di stampa riscaldati. La colla spray ha lo scopo di affrontare vari problemi comuni legati all'adesione durante la stampa 3D: Prevenzione del Warping: Il warping è un fenomeno in cui gli angoli o gli estremi degli oggetti stampati tendono a sollevarsi dalla superficie di stampa a causa del raffreddamento irregolare del materiale. La colla spray crea un legame forte tra l'oggetto e la piattaforma riscaldata, riducendo notevolmente il rischio di warping. Miglioramento dell'Adesione Iniziale: Durante l'inizio della stampa, una buona adesione tra il primo strato e la superficie di stampa è fondamentale. La colla spray crea un'adesione solida fin dall'inizio, evitando che il modello si stacchi durante la stampa. Riduzione delle Imperfezioni: La colla spray può aiutare a ottenere stampe più lisce, riducendo le piccole imperfezioni superficiali causate da un'adesione inadeguata. Facilità di Rimozione: Una volta completata la stampa, l'oggetto può essere rimosso più facilmente dalla piattaforma trattata con colla spray rispetto a una superficie non trattata. La colla spray è fondamentale perché contribuisce notevolmente a migliorare la riuscita delle stampe 3D e la qualità dei risultati finali. È particolarmente utile quando si stampa con materiali soggetti a deformazioni o quando si lavora con oggetti che richiedono una forte adesione alla piattaforma di stampa. Tuttavia, è importante utilizzarla con moderazione e seguire le istruzioni del produttore per evitare un eccessivo accumulo di colla, che potrebbe ostacolare il processo di stampa. Vedi colle su Amazon Torna all'Indice Accessorio 3: Kit lisciatore di stampe Un kit di rifinitura per stampe nella stampa 3D è un insieme di strumenti e accessori progettati per perfezionare e migliorare l'aspetto delle tue creazioni stampate in 3D. Questo kit contiene vari utensili e strumenti che ti consentono di rimuovere imperfezioni, bave, supporti e altre caratteristiche indesiderate dalle tue stampe. Il kit di rifinitura è fondamentale perché svolge un ruolo essenziale nel processo di post-elaborazione delle stampe 3D, offrendo i seguenti vantaggi: Miglioramento Estetico: Il kit ti permette di eliminare imperfezioni superficiali, bave e piccole irregolarità, garantendo che le tue stampe 3D abbiano un aspetto più pulito e professionale. Precisione e Dettaglio: Gli strumenti inclusi nel kit consentono di affinare i dettagli delle tue stampe, consentendo la rimozione precisa di parti indesiderate o di supporti di stampa. Riduzione del Tempo di Post-Elaborazione: Utilizzare uno specifico kit di rifinitura semplifica e accelera il processo di pulizia e rifinitura delle stampe 3D, risparmiando tempo e sforzi. Maggiore Funzionalità: In alcuni casi, il kit può includere strumenti per l'assemblaggio o la correzione di parti stampate, rendendo le tue creazioni funzionali e pronte all'uso. Risparmio di Materiale: Rimuovendo con precisione supporti e parti indesiderate, il kit aiuta a evitare sprechi di materiale di stampa, riducendo i costi. In sintesi, un kit di rifinitura per stampe nella stampa 3D è un alleato fondamentale per ottenere risultati di alta qualità e perfezionare le tue creazioni. Attraverso l'utilizzo di questi strumenti, è possibile trasformare stampe grezze in pezzi finiti, esteticamente piacevoli e funzionali, contribuendo a valorizzare il tuo lavoro di stampa 3D. Vedi offerta kit su Amazon Torna all'Indice Accessorio 4: Colla bicomponente La colla bicomponente è un tipo di adesivo costituito da due componenti distinti che devono essere mescolati insieme prima dell'uso. Questi due componenti, noti come resina e indurente, reagiscono chimicamente quando vengono mescolati, creando un adesivo estremamente resistente e duraturo. Questa colla è utilizzata in diversi settori, inclusa la stampa 3D, per vari scopi. Nel contesto della stampa 3D, la colla bicomponente è spesso utilizzata per le seguenti finalità: Riparazione di Oggetti Stampati: Se un oggetto stampato in 3D si rompe o si danneggia, la colla bicomponente può essere utilizzata per saldare o incollare le parti danneggiate insieme in modo permanente. Unione di Componenti: Se hai bisogno di creare oggetti più grandi o complessi assemblando diverse parti stampate separatamente, la colla bicomponente offre un'adesione solida e resistente. Rinforzo Strutturale: Per oggetti stampati che devono resistere a carichi pesanti o stress meccanici, l'applicazione di colla bicomponente su giunti o connessioni può aumentarne la resistenza strutturale. Correzione di Difetti di Stampa: In caso di piccoli difetti o imperfezioni nelle tue stampe 3D, la colla bicomponente può essere utilizzata per riempire o correggere le aree problematiche. La colla bicomponente è fondamentale perché offre un'adesione molto più forte e resistente rispetto agli adesivi tradizionali, come le colle a base di solventi o le colle a caldo. Ciò la rende particolarmente utile quando si tratta di garantire la solidità e la durata delle tue creazioni stampate in 3D, soprattutto se intendi utilizzarle per scopi funzionali o strutturali. È importante seguire attentamente le istruzioni del produttore per miscelare e applicare correttamente la colla bicomponente. Vedi bicomponente su Amazon Torna all'Indice Accessorio 5: Spatolina Tanto semplice quanto utile: una spatola nella stampa 3D è usata per scopi di rimozione degli oggetti stampati dalla superficie di stampa. Questo utensile è fondamentale nella stampa 3D per diverse ragioni: Rimozione Sicura:Una spatola permette di rimuovere con precisione gli oggetti stampati dalla piattaforma senza danneggiarli. Questo è particolarmente importante quando si stampano oggetti con superfici complesse o dettagliate, dove la forza eccessiva potrebbe causare danni. Prevenzione del Danno al piano: Utilizzare una spatola riduce il rischio di graffiare o danneggiare la superficie di stampa, che può essere costituita da materiali come vetro, alluminio o nastro Kapton. Un utilizzo inadeguato potrebbe danneggiare permanentemente la superficie di stampa, rendendo necessaria la sua sostituzione. Rimozione di Supporti di Stampa: Spesso, le stampe 3D possono richiedere l'uso di supporti temporanei per sostenere parti in volo o complesse geometrie. La spatola è utile per rimuovere con precisione questi supporti senza danneggiare l'oggetto principale. Facilità di Utilizzo: Una spatola è uno strumento semplice ma efficace che non richiede competenze particolari per essere utilizzato. È una parte essenziale del kit di strumenti di un appassionato di stampa 3D. Efficienza: La spatola permette di risparmiare tempo nella rimozione degli oggetti stampati rispetto a metodi meno precisi o utensili inadatti. In generale, una spatola è fondamentale nella stampa 3D perché rende il processo di rimozione degli oggetti stampati più sicuro ed efficiente, riducendo al minimo i danni sia all'oggetto che alla superficie di stampa. È un componente essenziale del kit di strumenti di qualsiasi stampatore 3D e contribuisce a ottenere risultati di stampa di alta qualità. Vedi spatolina su Amazon Torna all'Indice Accessorio 6: Kit di ugelli Un kit di ugelli nella stampa 3D è un set di ugelli di dimensioni e forme diverse progettati per essere utilizzati con la tua stampante 3D. Gli ugelli sono la parte della stampante responsabile per l'estrusione del filamento fuso durante il processo di stampa. Un kit di ugelli offre una varietà di opzioni per personalizzare la tua esperienza di stampa e ottimizzare i risultati. Ecco perché è fondamentale avere un kit di ugelli: Variazione della Dimensione: I diversi ugelli hanno aperture di diametro variabile, il che permette di controllare la quantità di materiale estruso durante la stampa. Puoi scegliere un ugello più largo per stampe più veloci o uno più stretto per dettagli più fini. Adattabilità ai Materiali: Alcuni materiali di stampa richiedono ugelli specifici per garantire una buona adesione e una stampa di alta qualità. Ad esempio, gli ugelli in ottone sono adatti per il PLA, mentre gli ugelli in acciaio temperato sono ideali per materiali abrasivi come l'ABS. Risparmio di Tempo e Materiale: Un kit di ugelli permette di stampare con maggiore efficienza. Puoi utilizzare un ugello più grande per riempire rapidamente le aree vuote o uno più piccolo per dettagli precisi, riducendo il tempo di stampa e il consumo di materiale. Manutenzione e Sostituzione: Gli ugelli sono soggetti a usura nel tempo, specialmente quando si stampa con materiali abrasivi. Un kit di ugelli fornisce ugelli di ricambio, consentendo la sostituzione quando necessario senza interruzioni prolungate della stampa. Versatilità: Con un kit di ugelli a disposizione, sei pronto ad affrontare una vasta gamma di progetti di stampa senza dover acquistare singoli ugelli in modo separato per ogni esigenza. In sintesi, un kit di ugelli nella stampa 3D è fondamentale perché offre flessibilità, adattabilità e controllo sulla tua stampante 3D. Ti consente di ottenere risultati di stampa di alta qualità e di personalizzare la tua esperienza di stampa per soddisfare le tue esigenze specifiche. Inoltre, garantisce una maggiore longevità e manutenzione della tua stampante 3D nel tempo. Vedi offerta su Amazon Torna all'Indice Accessorio 7: Stura ugelli Lo stura ugelli, noto anche come "unclogging tool" o "nozzle cleaning tool," è uno strumento progettato appositamente per la manutenzione delle stampanti 3D e, in particolare, per la pulizia degli ugelli delle stampanti 3D. Uno stura ugelli è uno strumento di forma sottile e lunga, spesso realizzato in acciaio o ottone, con una punta affilata o a spirale all'estremità. Questa punta è progettata per penetrare negli ugelli delle stampanti 3D e rimuovere eventuali residui di materiale fuso o intasamenti che possono verificarsi durante il processo di stampa. Lo stura ugelli serve a mantenere puliti gli ugelli delle stampanti 3D e a risolvere problemi comuni legati all'estrusione del materiale. Durante la stampa, può accadere che piccole particelle di materiale rimangano bloccate negli ugelli, ostacolando il flusso regolare del filamento. Questo può portare a stampe di scarsa qualità o a interruzioni del processo di stampa. Lo stura ugelli consente di: Rimuovere Intasamenti: Penetrando delicatamente nell'ugello, lo strumento può rompere e rimuovere eventuali intasamenti o blocchi di materiale che potrebbero impedire l'estrusione uniforme del filamento. Pulire Residui: Durante il raffreddamento del materiale fuso, possono formarsi residui o "zolle" nell'ugello. Lo stura ugelli può eliminare queste zolle, contribuendo a garantire un flusso costante del filamento. Mantenere la Qualità delle Stampe: Utilizzando regolarmente lo stura ugelli per la manutenzione preventiva, è possibile mantenere la qualità delle stampe 3D, evitando stampe difettose o irregolari. Inoltre, uno stura ugelli è un investimento relativamente economico che può prolungare la vita utile della tua stampante 3D e contribuire a garantire risultati di stampa consistenti e di alta qualità nel tempo. Pertanto, è altamente raccomandato come strumento essenziale per chiunque utilizzi una stampante 3D. Vedi sturaugelli su Amazon Torna all'Indice Accessorio 8: Piatti di stampa di ricambio Avere dei piatti di stampa di ricambio nella stampa 3D è utilissimo per diversi motivi: Minimizzare l'Interruzione della Produzione: Durante la stampa 3D, il piatto di stampa è una parte essenziale che fornisce la superficie su cui vengono create le stampe. Se il piatto si danneggia, si graffia o si deforma, potrebbe essere necessario interrompere la produzione. Avere un piatto di ricambio pronto all'uso consente di riprendere rapidamente la stampa senza lunghe interruzioni. Risolvere Problemi di Adesione: Con l'usura, i piatti di stampa possono perdere la loro capacità di fornire un'adesione adeguata durante la stampa. Un piatto usurato o danneggiato può causare problemi come il warping o la deformazione degli oggetti. Un piatto di ricambio permette di ripristinare una superficie di stampa ottimale. Sperimentare con Materiali Diversi: Gli appassionati di stampa 3D spesso lavorano con una varietà di materiali, ognuno dei quali può richiedere condizioni di stampa specifiche. Avere piatti di stampa di ricambio consente di dedicare una superficie a un tipo di materiale senza doverla sostituire ogni volta che si passa a un nuovo filamento. Semplicità nella Manutenzione: La manutenzione regolare dei piatti di stampa può comportare l'usura nel tempo. Avere piatti di ricambio semplifica la manutenzione periodica, poiché è possibile sostituire il piatto usurato con uno nuovo senza dover attendere la consegna o fermare la produzione. Flessibilità nei Progetti di Stampa: Con piatti di stampa di ricambio, puoi essere più flessibile nei tuoi progetti di stampa senza dover fare compromessi sulla qualità. Ad esempio, puoi dedicare un piatto a stampe più dettagliate e un altro a stampe più grandi o robuste. In sintesi, avere dei piatti di stampa di ricambio nella stampa 3D è fondamentale per garantire la continuità della produzione, risolvere problemi di adesione, semplificare la manutenzione e offrire flessibilità nei progetti di stampa. È una precauzione saggia per ridurre al minimo gli inconvenienti e massimizzare la produttività nella tua attività di stampa 3D. Vedi piatti di stampa su Amazon Torna all'Indice Accessorio 9: Calibro elettronico Un calibro elettronico, noto anche come calibro digitale, è uno strumento di misurazione elettronico utilizzato per ottenere misurazioni precise di oggetti in diversi contesti, tra cui la stampa 3D. È composto da una lama mobile e una lama fissa, e utilizza un display digitale per mostrare le dimensioni misurate con grande accuratezza. Ecco perché è utile nella stampa 3D: Precisione delle Misure: Un calibro elettronico offre misurazioni molto più precise rispetto a strumenti di misurazione tradizionali come il metro o il calibro a quadrante. Questa precisione è essenziale nella stampa 3D, dove le dimensioni esatte degli oggetti sono fondamentali per il successo del progetto. Controllo delle Dimensioni delle Stampe: Un calibro elettronico consente agli stampatori 3D di verificare le dimensioni delle loro stampe con estrema precisione. Questo è cruciale quando si lavora su progetti che richiedono tolleranze strette o quando è necessario assicurarsi che le parti stampate si adattino in modo preciso ad altre componenti. Verifica delle Specifiche Tecniche dei Filamenti: Misurare il diametro dei filamenti di stampa è importante per garantire una stampa 3D di alta qualità. Un calibro elettronico può essere utilizzato per verificare il diametro dei filamenti e assicurarsi che siano conformi alle specifiche tecniche del produttore. Controllo della Qualità delle Stampe: Utilizzando un calibro elettronico, è possibile verificare se le stampe hanno le dimensioni corrette e rilevare eventuali variazioni o difetti nella produzione. Sviluppo di Prototipi: Quando si progettano prototipi o parti personalizzate, è essenziale avere un controllo preciso sulle dimensioni. Un calibro elettronico consente agli utenti di misurare con precisione le parti stampate e apportare eventuali modifiche necessarie. Verifica del Colore e del Materiale: Alcuni calibri elettronici avanzati sono in grado di rilevare la composizione chimica dei materiali, il che può essere utile per verificare la qualità dei filamenti utilizzati nella stampa 3D. In conclusione, un calibro elettronico è uno strumento essenziale nella stampa 3D, poiché fornisce misurazioni precise e controlli di qualità, contribuendo a garantire risultati di stampa accurati e soddisfacenti. È uno strumento fondamentale per gli appassionati e i professionisti della stampa 3D che cercano di ottenere stampe di alta qualità e dimensioni precise. Vedi calibro su Amazon Torna all'Indice Accessorio 10: Illuminazione led Un sistema di illuminazione a LED è un componente aggiuntivo utile per chi stampa in 3D per diverse ragioni: Migliorare la Visibilità: La stampa 3D può richiedere molte ore o anche giorni per completarsi, a seconda delle dimensioni e della complessità dell'oggetto. Un sistema di illuminazione LED ben posizionato può migliorare la visibilità della stampante 3D, consentendoti di monitorare il processo di stampa in modo più efficace. Rilevare Problematiche in Tempo Reale: L'illuminazione LED può aiutarti a individuare problemi o difetti durante il processo di stampa, come ad esempio l'adesione irregolare degli strati, i supporti non riusciti o altre problematiche che richiedono un intervento tempestivo. Una buona illuminazione ti permette di reagire rapidamente per evitare stampe fallite. Verificare la Qualità delle Stampe: Dopo la stampa, un'illuminazione LED di qualità può rivelare dettagli e imperfezioni che potrebbero non essere visibili in condizioni di luce insufficiente. Questo ti consente di valutare la qualità delle tue stampe in modo più accurato. Assistenza nella Manutenzione: Durante la manutenzione della tua stampante 3D, come la pulizia degli ugelli o la sostituzione di parti, una buona illuminazione è essenziale per lavorare in modo preciso e sicuro. Fotografia e Documentazione: Se desideri condividere le tue creazioni su social media o in documentazione, una buona illuminazione può migliorare la qualità delle tue foto e rendere le tue stampe più attraenti visivamente. Creare un Ambiente di Lavoro Piacevole: Un sistema di illuminazione LED può anche migliorare l'aspetto generale del tuo spazio di lavoro, creando un ambiente più piacevole per il lavoro di stampa 3D. In sintesi, un sistema di illuminazione LED è un complemento utile per gli stampatori 3D, poiché migliora la visibilità, aiuta a rilevare e risolvere problemi durante la stampa, consente di valutare la qualità delle stampe e contribuisce a creare un ambiente di lavoro più efficiente. È un investimento relativamente economico che può migliorare significativamente la tua esperienza di stampa 3D. Vedi offerta su Amazon Torna all'Indice Accessorio bonus: Sbavatore Uno sbavatore nella stampa 3D è uno strumento utilizzato per rimuovere i bordi o le imperfezioni indesiderate dagli oggetti stampati. Questo strumento è simile a una lama affilata o a una lama a scalpello e può essere realizzato in metallo o plastica resistente. Ecco perché uno sbavatore è utile nella stampa 3D e perché dovresti averlo: Rimuovere Bave e Eccessi di Materiale: Durante il processo di stampa 3D, possono formarsi piccole quantità di materiale in eccesso o bave lungo i bordi degli oggetti stampati. Uno sbavatore consente di rimuovere facilmente queste imperfezioni, rendendo le stampe più lisce e pulite. Creare Superfici Uniformi: Uno sbavatore è utile per rendere uniformi le superfici delle tue stampe, eliminando piccole asperità o irregolarità che potrebbero essere presenti a causa del processo di estrusione del materiale. Correggere Dettagli: Puoi utilizzare uno sbavatore per aggiustare o rifinire dettagli specifici delle tue stampe 3D, come fori, scanalature o sporgenze, per assicurarti che rispondano alle specifiche desiderate. Migliorare l'Estetica: Rimuovendo le imperfezioni, uno sbavatore può migliorare significativamente l'aspetto estetico delle tue stampe, rendendole più attraenti e professionali. Aumentare la Funzionalità: In alcuni casi, uno sbavatore può essere utilizzato per preparare parti stampate per l'assemblaggio o per garantire che siano compatibili con altre componenti. Minimizzare lo Spreco di Materiale: Riducendo le imperfezioni delle stampe, uno sbavatore contribuisce a evitare il rischio di dover scartare oggetti a causa di piccoli difetti, riducendo così lo spreco di materiale di stampa. In sintesi, uno sbavatore nella stampa 3D è uno strumento versatile che ti aiuta a ottenere stampe di migliore qualità, più lisce ed esteticamente piacevoli. È fondamentale per il post-elaborazione delle tue stampe e contribuisce a garantire che i tuoi progetti stampati raggiungano il livello di qualità desiderato. Pertanto, è consigliabile avere uno sbavatore nel tuo kit di strumenti per la stampa 3D. Vedi sbavatore su Amazon Torna all'Indice -
Stampa 3D: 10+1 accessori essenziali che rivoluzioneranno la tua esperienza
Alessandro Tassinari ha pubblicato una discussione in Guide di Stampa 3D forum
Visualizza articolo -
Stampa 3D: 3+1 servizi di cui non puoi fare a meno
Alessandro Tassinari ha pubblicato un articolo in Guide
La stampa 3D è una delle tecnologie più innovative e affascinanti del nostro tempo. Con la possibilità di creare oggetti tridimensionali da zero, o personalizzare prodotti esistenti, la stampa 3D ha rivoluzionato diversi settori, dalla prototipazione all'arte, dall'industria aerospaziale all'edilizia. Tuttavia, non tutti hanno accesso alle stampanti 3D più costose o alle competenze per realizzare progetti complessi. Ecco perché esistono servizi di stampa 3D. In questo articolo, esploreremo tre servizi di stampa 3D di cui non puoi fare a meno. A questi, ne aggiungeremo uno bonus che non ti aspetti! In questa guida: Servizio 1: servizio di stampa 3D Servizio 2: servizio di modellazione 3D Servizio 3: servizio di finitura dei modelli Servizio bonus: servizio di slicing Conclusioni Servizio 1: servizio di stampa 3D Il servizio più comune offerto nel mondo della stampa 3D è il servizio di stampa 3D. Si tratta di un service completo, che permette di passare alla realizzazione dei tuoi modelli 3D e di ottenerli finiti direttamente a casa tua. Per utilizzare un service di stampa 3D ti serve almeno un modello 3D. Dico "almeno" perché di service di stampa 3D ne esistono di due tipologie: servizio di stampa 3D completo: tu consegni al fornitore il modello 3D e lui si occupa di fare tutto il necessario per realizzarlo. In questo caso, il tuo fornitore dovrà elaborare il modello facendo lo slicing, ottimizzare la sessione di stampa, stampare e rifinire il pezzo; solo servizio di stampa 3D: se tu non sei dotato di una stampante 3D ma hai le competenze per modellare l'oggetto che vuoi realizzare ed effettuare lo slicing, alcuni fornitori potrebbero permetterti di fornire semplicemente il file gcode per andare in stampa. Questo presuppone che tu sia un utente abbastanza esperto e che conosci la stampante 3D con cui andrai in produzione. Come potrai immaginare, la maggior parte dei service fornisce un servizio di stampa 3D completo. Questo per evitare che utenti poco esperti vadano a fornire file di stampa con errori, parametri sballati, ecc. Semplicemente, evitano di perdere del tempo e ti forniscono un servizio a 360 gradi 😇 In più, devi considerare bene la tecnologia con cui vuoi stampare. I servizi di stampa 3D professionali e completi mettono sempre a disposizione le tecnologie più performanti e costose, quelle che in genere noi semplici privati non possiamo permetterci. Basti pensare alla stampa 3D in metallo o alla stampa 3D resina... Chi può offrirti un servizio di sola stampa 3D sono in genere i piccoli privati o i FabLab, realtà che hanno dinamiche di mercato diverse e che per vari motivi accettano di mettere a disposizione le macchine col rischio che qualcosa possa andare storto. Con questi però sei tu che fornisci il gcode e sarai tu a doverti prendere cura della finitura o della pulizia del tuo pezzo. Se sei un utilizzatore esperto, questa soluzione sarà sicuramente la più economica da utilizzare! Per trasformare il tuo progetto in un oggetto fisico puoi trovare servizi di stampa 3D online, come PCBWay, Shapeways o Sculpteo, che offrono una vasta gamma di materiali tra cui plastica, metallo, ceramica e altro. Invece, se preferisci gestire la stampa da te, potresti considerare l'acquisto di una stampante 3D personale. Puoi trovare una vasta selezione di stampanti 3D e filamenti di stampa su Amazon per iniziare. Se vuoi quanche consiglio, a questo link trovi la mia guida ai materiali economici per la stampa 3D, mentre a questo link ti lascio la guida all'acquisto alle stampanti 3D sotto i 300 €. Il service online di stampa PCBWay PCBWay è uno dei service di stampa 3D online più completi ed efficienti, ti permette di inviare l'ordine di stampa in pochi click selezionando nel dettaglio le caratteristiche che il componente dovrà avere. In base alla selezione della tecnologia richiesta, si apriranno o si chiuderanno possibilità di usare materiali differenti. Ad esempio, selezionando la stampa 3D SLA si potranno scegliere materiali come UTR 8360, Somos Ledo resin, Somos Taurus, Somos PerFORM, UTR 8220, UTR Therm, UTR 8100 traslucent, ecc. Invece, selezionando la stampa 3D DLP potrai scegliere materiali di stampa come TDS EvoDent e UTR Flex, sfruttando uno spessore delle pareti dei modelli minimo di 0.8 mm. L'utilizzo della piattaforma online è semplicissimo. Come prima cosa dovrai caricare il modello 3D da realizzare. Assicurati che il file abbia una dimensione inferiore a 50 MB e che sia in uno dei seguenti formati: .stl, .obj, .step, .stp. In seguito, il sistema chiede di indicare la quantità di pezzi da produrre e l'unità di misura del disegno 3D caricato. Questi passaggi sono da considerarsi come preliminari: dovrai farli sempre, indistintamente che tu voglia stampare a resina o con altre tecnologie di stampa 3D. Il sistema automatico effettuerà un'analisi del file, assicurandosi che sia stampabile con la tecnologia da te scelta. Questo può includere la valutazione dell'orientamento ottimale dell'oggetto, la verifica della presenza di parti troppo sottili o sporgenze complesse che richiedono supporti di stampa, e la valutazione delle dimensioni dell'oggetto. La piattaforma consente di selezionare la macrocategoria del materiale di stampa da usare. Se selezioni "Resin", come mostrato nell'immagine precedente, in automatico vengono mostrate i tipi di resina utilizzabili. Anche qui, devi fare la tua scelta, tenendo in considerazione le caratteristiche che vuoi ottenere sul tuo pezzo. Infine, su alcuni materiali puoi selezionare il colore e la presenza o meno di determinati processi di realizzazione, tra cui anche la tipologia di finitura preferita. Di seguito la piattaforma richiede di specificare tutta una serie di specifiche, come di solchi o fessure da lasciare aperte o ciudere, la presenza di inserti, o la necessità di fare assemblaggi. Una volta inserite tutte le informazioni, il sistema riceve il tuo ordine e ti consegna immediatamente un preventivo di spesa. Se decidi di procedere, l'ordine viene processato per la realizzazione, che di solito avviene in qualche giorno lavorativo. Servizio 2: servizio di modellazione 3D Un servizio che a livello professionale funziona davvero molto bene è quella di modellazione 3D. Infatti, la base di qualsiasi progetto di stampa 3D è il modello tridimensionale e non tutti hanno le competenze per creare un modello da zero. Qui entra in gioco il servizio di modellazione 3D. Questi esperti possono trasformare le tue idee in modelli digitali pronti per la stampa. Se non hai familiarità con il design 3D, puoi trovare talentuosi modellatori su piattaforme come Fiverr o Upwork, dove potrai scegliere tra una varietà di professionisti per adattare il tuo budget. Inoltre, molte risorse di modellazione 3D gratuite sono disponibili online, come Tinkercad, Blender o Fusion 360 di Autodesk, che possono aiutarti a realizzare semplici progetti da zero. Torna all'Indice Servizio 3: servizio di finitura dei modelli Dopo che il tuo modello 3D è stato stampato con successo, potresti voler conferirgli un tocco di professionalità e perfezione. È qui che entra in scena il servizio di finitura dei modelli, una risorsa preziosa per dare quel tocco finale ai tuoi progetti. Questi professionisti della finitura mettono a tua disposizione una serie di abilità e strumenti specializzati per rendere il tuo oggetto stampato in 3D un capolavoro. Una delle attività principali del servizio di finitura dei modelli è la levigatura. Chi lo esegue si prende cura di ogni dettaglio, rimuovendo eventuali imperfezioni superficiali, bordi ruvidi o linee di stratificazione visibili, rendendo la superficie dell'oggetto incredibilmente liscia e priva di difetti. Questo passaggio è fondamentale per ottenere una finitura impeccabile, soprattutto se stai creando oggetti con superfici curve o artistiche. Per levigare un modello stampato 3D si può procedere in due modi: usare uno strumento multiutensile elettrico - questa soluzione permette di agire velocemente in qualsiasi superficie del modello; usare carta vetrata in modo manuale - si tratta di un processo poco invasivo e meno costoso, ma del tutto manuale. Oltre alla levigatura, i servizi di finitura possono occuparsi della pittura, se desideri personalizzare ulteriormente il tuo progetto. Puoi specificare i colori desiderati e il tipo di vernice da utilizzare, consentendo di trasformare il tuo oggetto in un'opera d'arte personalizzata. Questo è particolarmente utile se stai realizzando prototipi o modelli per scopi aziendali o artistici. Per fare una pittura di alto livello, ti sconsiglio di usare pennelli, a meno che tu non debba colorare dei dettagli. Il mio consiglio è di utilizzare un aerografo da casa. Con questo strumento risparmierai tantissimo tempo e risparmierai molti soldi nell'acquisto delle vernici. Ma la finitura non si ferma qui. Questi esperti possono anche occuparsi dell'assemblaggio dei componenti, se il tuo progetto richiede più parti che devono essere unite in modo preciso. Questa attività richiede competenze specifiche e strumenti adeguati per garantire che tutte le parti siano correttamente collegate. Se vuoi provare tu, ti consiglio di usare sempre colle bicomponenti per plastica. Sono la soluzione migliore per quasi tutte le plastiche più utilizzate nella stampa 3D 😉 Insomma, se sei un amante del fai da te e vuoi mettere le mani nella finitura, hai l'opzione di acquistare materiali e attrezzi di finitura da Amazon. Troverai vernici di alta qualità, primer, levigatrici e tutti gli strumenti necessari per migliorare ulteriormente l'aspetto finale dei tuoi oggetti stampati in 3D. Questa opzione è ideale per coloro che desiderano sperimentare e personalizzare i loro progetti in modo unico. Torna all'Indice Servizio bonus: servizio di slicing Il processo di slicing, fondamentale per la stampa 3D, merita un approfondimento dettagliato. Dopo aver creato o acquisito il tuo modello 3D, la preparazione accurata è essenziale prima di inviarlo alla stampante. Questa fase è comunemente denominata "slicing," un processo che coinvolge la suddivisione del modello tridimensionale in strati o "slices" che la stampante 3D può comprendere e stampare in modo efficiente. La chiave del slicing è la preparazione del modello per la produzione strato dopo strato. Ogni fetta viene tradotta in una serie di comandi e dati che guidano con precisione la stampante 3D, indicandole come posizionare il materiale e la testina di stampa. Questo processo è fondamentale per garantire che l'oggetto finale risulti coerente con il modello 3D originale. Mentre i software di slicing come Cura o PrusaSlicer offrono un controllo completo sul processo, non tutti hanno le competenze o il tempo per imparare a utilizzarli in modo efficace. In queste situazioni, puoi rivolgerti a servizi di slicing specializzati forniti da professionisti del settore. Gli esperti di slicing non solo hanno competenze avanzate nell'uso del software, ma sono anche in grado di ottimizzare il modello per la stampa, riducendo tempi e costi. Questo è particolarmente vantaggioso se stai cercando di risparmiare tempo ed evitare errori costosi. Un servizio di slicing professionale ti fornirà un file pronto per la stampa, eliminando la necessità di immergerti nei dettagli tecnici. Inoltre, questi servizi possono offrire consigli sulla scelta dei parametri di stampa, come la densità di riempimento, la temperatura e la velocità, per garantire che il tuo oggetto venga stampato con la massima precisione e qualità. In sintesi, il slicing è una fase cruciale del processo di stampa 3D che richiede precisione e conoscenze specifiche. Se non hai familiarità con il software di slicing o se desideri semplificare il processo, puoi affidarti a servizi di slicing specializzati per ottenere un risultato preciso e ottimizzato, risparmiando tempo ed evitando possibili errori tecnici. Con questi esperti al tuo fianco, puoi essere certo che il tuo progetto di stampa 3D sarà condotto con la massima efficienza e qualità. Torna all'Indice Conclusioni In conclusione, la stampa 3D è più accessibile che mai grazie ai servizi di modellazione, slicing, stampa e finitura. Anche se non possiedi una stampante 3D o competenze avanzate di modellazione, puoi ancora sfruttare appieno il potenziale di questa tecnologia. La chiave è fare affidamento su esperti e servizi specializzati che possono rendere il processo semplice ed economico. E, se decidi di immergerti completamente nel mondo della stampa 3D, Amazon offre una vasta gamma di prodotti e materiali per aiutarti a iniziare la tua avventura nel mondo della stampa 3D. Torna all'Indice -
Stampa 3D: 3+1 servizi di cui non puoi fare a meno
Alessandro Tassinari ha pubblicato una discussione in Guide di Stampa 3D forum
Visualizza articolo-
- 1
-
-
Bulbasaur porta vaso rifatto.
Alessandro Tassinari ha risposto a eaman nella discussione Le tue stampe - Album fotografico dei migliori modelli 3D
Colori bellissimi!
