Vai al contenuto

Messaggi raccomandati

Inviato

Buongiorno a tutti, 

come avevo scritto nel post di presentazione è da quasi 1 anno che sto sviluppando il progetto di un oggetto di cui vorrei realizzare un prototipo.

Tralascio il percorso irto ed impegnativoho finalmente un progetto finito e definito con Solidworks, ma riuscire ad avere i pezzi con CNC o altre metodiche di pari precisione(tolleranze medie di  alcuni micron) è estremamente difficile.

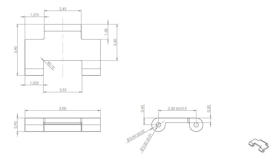
Una delle componenti maggiormente critiche è un cingolo composto da segmenti di spessore di 0.3 mm, di cui allego foto.

Uno dei pochi preventivi per 100 pezzi è di più di 2k, e visto che non ho ancora la certezza che l'oggetto funzioni, potete capire come non mi sembri saggio fare una simile spesa.

Ho fatto stampare le parti perchè non volevo acquistare una stampante, ma ho già speso 150 € per farmele stampare e ho capito sita diventando antieconomico, visto che dovrei stampare tutte le altre componenti.

La domanda è banale, quale stampante mi offre una precisione elevatissima?

Sla, dlm, tante tecnologie di cui ho letto pro e contro, a volte persino contrastanti, quindi i miei dubbi aumentano invece che diminuire.

L'unica cosa che credo di avere capito è che le stampanti a resina siano le uniche in grado di raggiungere precisioni di micron o anche inferiori, ma non cerco il nanometro, visto che ho un budget limitato, ovvero meno spendo meglio è, perchè una volta assemblato il prototipo, vorrei passare ad uno in metallo.

Grazie a tutti 

link1.jpg

  • Risposte 5
  • Creato
  • Ultima Risposta

Miglior contributo in questa discussione

Giorni Popolari

Inviato

Spessore di 0,3 mm, prezzo ragionevole e ripetibilità: qualsiasi stampante DLP è in grado di gestirlo al giorno d'oggi. Probabilmente ci vorranno alcuni tentativi, ma la cosa è fattibile.

  • Like 1
Inviato (aggiornato)

Un tentativo:

scr1.thumb.jpg.75dd6302750dfd7fd4af850d7894743a.jpg

 

Pixels nel Elegoo Mars 2.0:

scr2.thumb.jpg.9fcde47f96519107238eea23cc36b5f4.jpg

 

Penso che questno non lavora perfettamente. Ma sarà economico 😛

 

Modificato da dziobu
Inviato (aggiornato)
2 ore fa, eaman ha scritto:

Quanto ?

Con 500  euro si prende una anycubic che  credo possa stampare ciò che mi serve.

Nomino quell'azienda perchè il modello in foto ne costa 800 ed è utilizzato da un giovane orologiaio, Theo Auffret.

Immagine WhatsApp 2024-03-20 ore 15.47.49_0ffa4686.jpg

Modificato da piccolochimico
Inviato

Ieri ho ricevuto questo preventivo, ho chiesto precisione di 25 µm e mi viene proposto a 50 o 75 (che mi lascia perplesso, visto che è presente nelle opzioni), con IVA inclusa siamo a quasi 200 euro.

Non ho voglia di buttare soldi, ma tra i 200 € di parti in resina e i 2000 € di segmenti CNC, c'è parecchia strada.

 

sla.jpg

Partecipa alla conversazione

Puoi pubblicare ora e registrarti più tardi. Se hai un account, accedi ora per pubblicarlo con il tuo account.

Ospite
Rispondi a questa discussione...

×   Hai incollato il contenuto con la formattazione.   Rimuovere la formattazione

  Sono consentiti solo 75 emoticon max.

×   Il tuo collegamento è stato incorporato automaticamente.   Mostra come un collegamento

×   Il tuo contenuto precedente è stato ripristinato.   Pulisci editor

×   Non puoi incollare le immagini direttamente. Carica o inserisci immagini dall'URL.

×
×
  • Crea Nuovo...