Vai al contenuto

krashone

Membri
  • Numero contenuti

    391
  • Iscritto

  • Ultima visita

  • Giorni Vinti

    2

Tutti i contenuti di krashone

  1. per esegui home cosa intendi da software perchè da pannello ho solo trova l'origine
  2. NO sono collegati direttamente alla scheda principale
  3. Salve a tutti, sono possessore di una Prusa i3 MK2s che ho aggiornato a MK3, in fase di autotest mi esce l'errore in oggetto sull'asse X da cosa dipende cosa dovrei verificare ? Durante l'auotest il corpo estrusore si sposta un pò a destra poi arriva a fine corsa a sinistra e mentre torna sulla destra si blocca dando il messaggio suindicato. Premetto che ho già effettuato tutti i controlli consigliati sul sito relativi al messaggio in errore in questione e quindi verificato la tensione della cinghia, raccolta dei cavi posteriori e regolazione puleggia sul motore dell'asse X. Ringrazio anticipatamente per qualsiasi consiglio che mi possiate dare. Autotest Errore Asse X.mp4
  4. Nessun suggerimento a nessuno è già capitato
  5. krashone

    Prusa-i3 Hephestos

    Una stampante DIY dai risultati professionali. Hephestos è la nostra seconda stampante DIY (Do it yourself). Hephestos è basata su Prusa i3, uno dei modelli più popolari della comunità RepRap, ma questa nuova versione rappresenta un progresso, che offre una stampante professionale in grado di mantenere intatto, al tempo stesso, lo spirito originale. Abbiamo scommesso su un nuovo design che consente di ottenere un maggior volume di stampa, pari a (x)210mm x (y)297mm x (z)220mm. Vendo completo di scatola originale e di tutto il corredo piu pezzi e parti extra 400,00 inclusa spedizione
  6. krashone

    Stampante 3D Da Vinci Duo

    tampante 3D Da Vinci 2.0A DUO Caratteristiche • Cartucce ABS / PLA / Water-soluble• Dimensioni 56 x 59 x 70 cm• Peso 27,5 Kg• Software XYZWare• Stampante 3D Cartucce • Tipo Cartridge Connettività • USB USB 2.0 Generale • Tipo di File .stl , XYZ Format Hardware • Mac X86 64-bit compatible Macs with 4GB+ DRAM• PC X86 32/64-bit compatible PCs with 4GB+ DRAM Prodotto • Codice SKU 3F20AXEU00D• Modello da Vinci 2.0 DUO• Tipo Stampante 3D Proprietà stampa • Diametro del Filamento 1.75 mm• Diametro Ugello 0.4 mm• Dimensione Max Creazione 46.8 x 51 x 55.8 cm• Testina di Stampa Dual Nozzle In sintesi, la migliore stampa al miglior prezzo e con il montaggio più semplice. Stampante utilizzata poco con un solo rotolo di filo a metà circa 450,00 € spedizione inclusa
  7. Vendo parti di ricambio singoli o in set relativi all'aggiornamento a Prusa i3 MMU 1.0. Prezzo a seconda del pezzo richiesto.
  8. VENDO PORTABOBINE PER STAMPANTI 3D ACCESSORIO ORIGINALE DELLA STAMPANTE 3D PRUSA I3 L'ULTIMA VERSIONE QUELLA VENDUTA ASSIEME AL KIT MMU 2.0 VIENE VENDUTO TUTTO IL NECESSARIO PER MONTARE N.RO 5 PORTAOBINE COME QUELLA IN FOTO 60,00€ inclusa spedizione con corriere
  9. l'assistenza non l'ho ancora contatta in quanto hanno una pagina apposta in cui viene spiegato le eventuali soluzioni che ovviamente ho gia provato quindi a contattarli non servirebbe a nulla di direbbero le stesse cose, spero in qualcuno che ci fosse gia passato e smanettato
  10. Nessun suggerimento ho provato ad allentare il blocco estrusore sulla asse X adesso si muove tutto a destra poi torna tutto a sinistra e si blocca con il messaggio in oggetto cos'altro devo vedere Grazie
  11. Buongiorno a tutti, durante l'autotest sulla mia Prusa i3 MK2.5s upgrade a MK3 mi appare l'errore in oggetto, ma cosa significa cosa dovre verificare ? Grazie
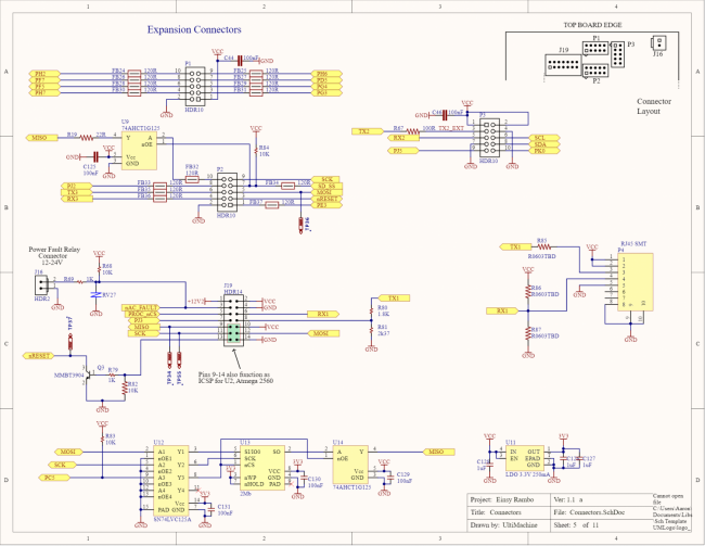
  12. Da cio che posso capirci a quanto pare facendo riferimento agli schemi in allegato della Rambo e della power panic board i Pin sono effettivamente invertiti, in J16 della rambo la terra (GND) è sul pin 1 mentre sulla power-panic board la terra (GND) è segnato sul pin 2 e sul connettore all'estermità nella parte posteriore sono numerate 1 per il filo bianco (GND in teoria) e 2 quello nero Mi serve solo la conferma di quanto sopra ragionato per avere il coraggio di invertire i fili Grazie
  13. A questo link confermano il problema dovuto al Power-Panic https://shop.prusa3d.com/forum/others-archive--f66/fails-self-test-hot-end-t13736-s10.html all'ultimo post danno anche la soluzione quella di invertire i fili bianco/nero secondo voi vado sul sicuro o rischio di bruciare qualcosa ? Grazie
  14. Apro un terzo post in quanto un nuovo argomento seppur collegato ai due precedenti post Adesso ho il problema in oggetto il power panic non mi fa funzionare l'hotend ed il bed Ho appena trovato questo https://help.prusa3d.com/article/9YqYe6tqNK-power-panic dove evidenziato in rosso dice chiaramente questo "Keep in mind that power panic doesn't work if you use the on/off switch on the PSU" ma quindi non posso sfruttarlo non capisco il pulsante che fastidio dia !!!
  15. Ho trovato il motivo, era il power panic che inibiva il riscaldamento del bed e dell'hotend l'ho scollegato e adesso funzionano entrambi Però che pa**e risolvo un problema e ne trovo un'altro !!!
  16. Appena fatto non danno segni di vita tutto fermo a 0 volts sia il bed che hotend la scheda è nuova e apparentemente pare funzionare si accende tutto ho eseguito il firmware, etc.... Inviato dal mio SM-G935F utilizzando Tapatalk
  17. Come dovrei verificare ? Inviato dal mio SM-G935F utilizzando Tapatalk
  18. intendi il cicalino sul tester perdonami ma non sono pratico soprattutto con la terminologia Se intendi quello ho appena provato su entrambi Hotend e suona
  19. Ho provato a riscaldare con un phon il sensore ed esso rileva l'alzamento della temperatura anche quello del letto pare funzionare e quindi possiamo escluderli Ripeto la cosa strana che sia letto che l'hotend non facciano il loro lavoro e continuo a pensare alla scheda madre pero cosa verificare
  20. In realtà se vado sul display in supporto --> temperature qui mi dice che l'ambiente è di 22° Comunque non si scalda nulla secondo me qualcosa dalla scheda con il tester ho provato a verificare i voltaggi e ci siamo la cosa strana è che nemmeno il letto si riscalda
  21. non saprei indica 17°
  22. No perchè è il primo test che faccio dopo averla assemblata se puo essere di aiuto sto provando con un'altro hotend che avevo e anche questo non si riscalda Grazie
  23. Adesso però mi da test fallito sull'hotend mi pare con messaggio Riscald./Termist. non connesso qui però non ho molte possibilità di errore cosa posso verificare ? Grazie
  24. Grazie per la risposta, difatti ho provato a collegare una ventola a 3pin ed il test mi esce positivo, quindi dovrò rimediare una ventola frontale adatta sapete consigliarmi ? Adesso però mi da test fallito sull'hotend mi pare con messaggio Riscald./Termist. non connesso qui però non ho molte possibilità di errore cosa posso verificare ? Grazie
  25. Buongiorno, ho ultimato di aggiornare la mia Prusa i3 MKs 2.5 alla versione 3.0 che adesso monta una scheda madre EINSY RAMBO ho collegato tutto correttamente avendo verificato i passaggi più volte e con calma. Faccio il test hardware e mi fallisce a causa della ventola frontale, adesso mi domandavo se la causa fosse che la ventola frontale è a 2 pin anzichè 3pin Grazie
×
×
  • Crea Nuovo...